ON Semiconductor ADT7461AEBZEVBBOARD EVAL FOR ADT7461
Description
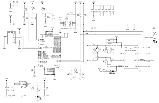
The ON Semiconductor ADT7461AEBZEVB-AEBZEVB is an evaluation board for the ADT7461A dual-channel digital thermometer. It is designed for automotive and transportation applications and features an under temperature/over temperature alarm. The board includes two thermistor inputs, two temperature sensor inputs, and two temperature alarm outputs. It also features a temperature range of -40°C to +125°C, a resolution of 0.125°C, and a temperature accuracy of ±1°C. The board is powered by a 3.3V supply and is RoHS compliant.
Specifications
ON Semiconductor technical specifications, attributes, parameters and parts with similar specifications to ON Semiconductor .
- TypeParameter
- Published2007
- Part StatusObsolete
- Moisture Sensitivity Level (MSL)1 (Unlimited)
- TypePower Management
- FunctionThermal Management
- Utilized IC / PartADT7461A
- Supplied ContentsBoard(s)
- Evaluation KitYes
- RoHS StatusRoHS Compliant
0 Similar Products Remaining
Technical Documents
Associated Products
| Part Number | Manufacturer | Description | Stock | RFQ |
|---|---|---|---|---|
| ON Semiconductor | Temp Sensor Digital Serial (2-Wire) 8-Pin MSOP T/R | 2322 | RFQ | |
| Microchip Technology | EEPROM SERIAL 64K, 24LC64, SOIC8 | 700 | RFQ | |
| Microchip | 8K X 8 I2C/2-WIRE SERIAL EEPROM, PDSO8, 3.90 MM, ROHS COMPLIANT, PLASTIC, SOIC-8 | 1747 | BUY |


Product
Brand
Articles
Tools






