STMicroelectronics EVALSTDRIVE601EVALSTRIVE601 DEMO BOARD FOR THE
Description
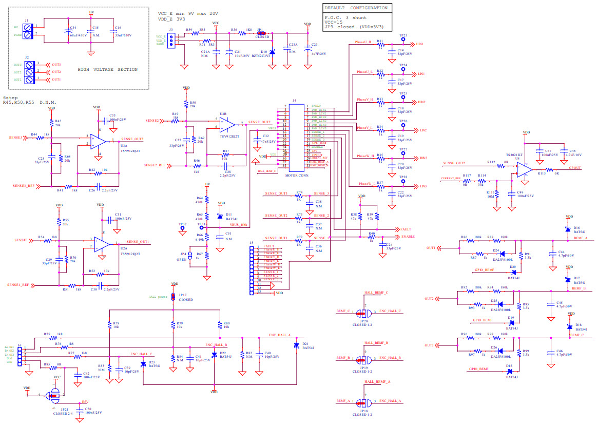
The STMicroelectronics EVALSTDRIVE601-EVALSTDRIVE601 is a demonstration board for the STDRIVE601 Triple Gate Driver Motor Control IC. It is designed to provide a platform for evaluating the features and performance of the STDRIVE601 IC. The board includes a power supply, a three-phase motor, and a set of connectors for connecting the motor to the STDRIVE601 IC. The board also includes a set of LEDs and switches for controlling the motor. The board is designed to be used with the STDRIVE601 Evaluation Software, which provides a graphical user interface for controlling the motor and monitoring its performance. The board is ideal for evaluating the features and performance of the STDRIVE601 IC in motor control applications.
Specifications
STMicroelectronics technical specifications, attributes, parameters and parts with similar specifications to STMicroelectronics .
- TypeParameter
- Part StatusActive
- Moisture Sensitivity Level (MSL)1 (Unlimited)
- TypePower Management
- FunctionGate Driver
- Utilized IC / PartSTDRIVE601
- Supplied ContentsBoard(s)
- Secondary AttributesOn-Board Test Points
0 Similar Products Remaining
Technical Documents
Associated Products
| Part Number | Manufacturer | Description | Stock | RFQ |
|---|---|---|---|---|
| Analog Devices Inc. | Single Transmitter/Receiver RS-422/RS-485 8-Pin SOIC N T/R | 79000 | RFQ | |
| Analog Devices Inc. | TRANSCEIVER, RS-485/RS-422, SOIC8 | 108 | RFQ | |
| Analog Devices Inc. | IC TXRX HALF DUP RS485/422 8SOIC | 2798 | BUY | |
| Analog Devices Inc. | IC TXRX HALF DUP RS485/422 8SOIC | 15800 | BUY |


Product
Brand
Articles
Tools









