STMicroelectronics STEVAL-IHM041V1STMICROELECTRONICS STEVAL-IHM041V1 EVALUATION BOARD, STM8S103F3P6 MOTOR DRIVER
Description
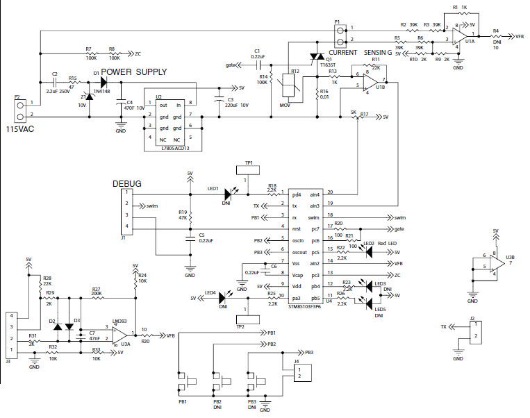
The STMicroelectronics STEVAL-IHM041V1 is a demonstration board for STM8S103F3P6 TRIAC-based phase angle control for universal motor speed control and industrial motor control. It is designed to provide a complete solution for controlling the speed of a universal motor, such as a fan or pump, using a TRIAC-based phase angle control. The board includes a STM8S103F3P6 microcontroller, a TRIAC, a power supply, and a set of connectors for connecting to the motor and other external components. The board also includes a set of LEDs and push buttons for user interaction. The board is designed to be used with the STM8S103F3P6 microcontroller and can be used to develop and test motor control applications.
Specifications
STMicroelectronics technical specifications, attributes, parameters and parts with similar specifications to STMicroelectronics .
- TypeParameter
- SeriesSTM8
- Part StatusActive
- Moisture Sensitivity Level (MSL)1 (Unlimited)
- TypePower Management
- FunctionMotor Controller/Driver
- Utilized IC / PartSTM8S103F3P6
- Supplied ContentsBoard(s)
- Evaluation KitYes
- EmbeddedYes, MCU, 8-Bit
- Secondary AttributesOn-Board LEDs
- REACH SVHCNo SVHC
- RoHS StatusROHS3 Compliant
0 Similar Products Remaining
Technical Documents
Associated Products
| Part Number | Manufacturer | Description | Stock | RFQ |
|---|---|---|---|---|
| Maxim Integrated | Switched Capacitor Converter, 0.06A, 200kHz Switching Freq-Max, CMOS, PDSO6, LEAD FREE, SOT-23, 6 PIN | 0 | RFQ | |
| Maxim Integrated | Switching Regulator/Controller, 0.06A, CMOS, PDSO6, | 0 | RFQ | |
| Maxim Integrated | IC REG SWTCHD CAP INV 60MA SOT23 | 0 | RFQ |


Product
Brand
Articles
Tools








