STMicroelectronics STEVAL-ILL002V2LED Lighting Development Tools BOARD & REF DESIGN
Description
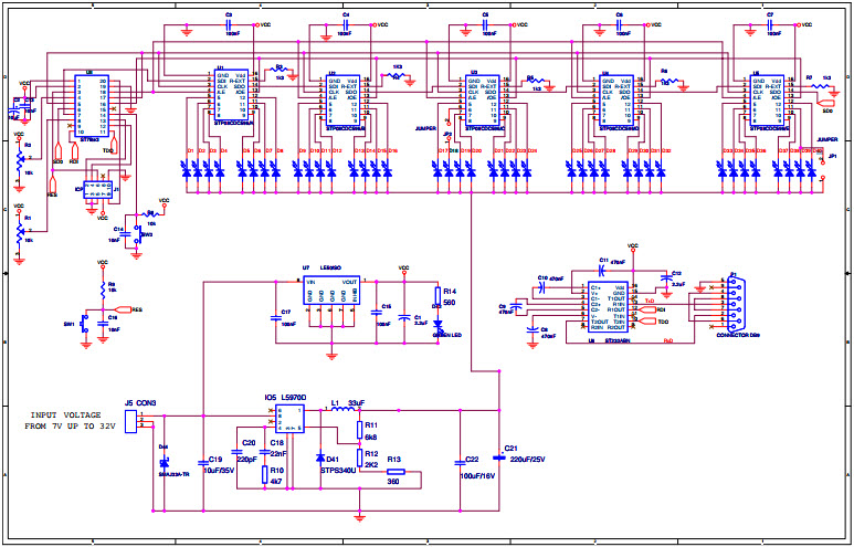
The STMicroelectronics STEVAL-ILL002V2 Detection LED Matrix Evaluation Kit is a comprehensive solution for lighting applications. It is based on the STP08CDC596 LED Driver, which is a high-performance, low-power, 8-channel constant current LED driver. The kit includes a detection LED matrix board, a power supply board, and a USB cable. The detection LED matrix board features 8 rows and 8 columns of LEDs, allowing for a wide range of lighting effects. The power supply board provides a regulated 5V DC power supply for the LED driver. The USB cable allows for easy connection to a PC for programming and debugging. The STEVAL-ILL002V2 is an ideal solution for lighting applications, providing a reliable and efficient way to control LED lighting.
Specifications
STMicroelectronics technical specifications, attributes, parameters and parts with similar specifications to STMicroelectronics .
- TypeParameter
- PackagingBulk
- Part StatusObsolete
- Moisture Sensitivity Level (MSL)Not Applicable
- Operating Supply Voltage32V
- Output Current120mA
- Utilized IC / PartSTP08CDC596
- Supplied ContentsBoard(s)
- Evaluation KitYes
- Outputs and Type8, Non-Isolated
- FeaturesGraphic User Interface, 5x8 LED Matrix
- RoHS StatusROHS3 Compliant
- Lead FreeLead Free
0 Similar Products Remaining
Associated Products
| Part Number | Manufacturer | Description | Stock | RFQ |
|---|---|---|---|---|
| STMicroelectronics | IMU ACCEL/MAG I2C/SPI 12LGA | 4585 | RFQ | |
| STMicroelectronics | IC MCU 32BIT 1MB FLASH 72WLCSP | 139 | RFQ | |
| STMicroelectronics | IMU ACCEL/GYRO I2C/SPI 14LGA | 0 | RFQ | |
| STMicroelectronics | MEMS NANO PRESSURE SENSOR: 260-1 | 20160 | RFQ | |
| STMicroelectronics | LDO Regulator Pos 1.8V 0.15A 4-Pin Flip-Chip T/R | 0 | RFQ | |
| Abracon LLC | Crystal 0.032768MHz ±20ppm (Tol) ±250ppm (Stability) 4.1pF Flexural 80000Ohm 2-Pin CSMD T/R | 18000 | RFQ |


Product
Brand
Articles
Tools












