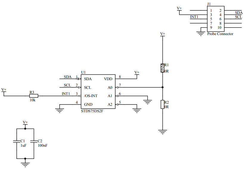
STMicroelectronics STEVAL-MKI204V1KSTLM75 EVAL BOARD
The STMicroelectronics STEVAL-MKI204V1K Temperature Probe Kit is a complete solution for automotive and transportation applications. It is based on the STLM75 digital temperature sensor and provides accurate temperature readings in a wide range of temperatures. The kit includes a temperature probe, a USB cable, and a user manual. The temperature probe is designed to be used in harsh environments and is resistant to shock and vibration. The USB cable allows for easy connection to a PC or laptop for data logging and analysis. The user manual provides detailed instructions on how to use the kit and how to interpret the data. The STEVAL-MKI204V1K Temperature Probe Kit is an ideal solution for automotive and transportation applications that require accurate temperature readings.
- TypeParameter
- Part StatusActive
- Moisture Sensitivity Level (MSL)1 (Unlimited)
- Utilized IC / PartSTLM75
- Supplied ContentsBoard(s)
- Sensor TypeTemperature
| Part Number | Manufacturer | Description | Stock | RFQ |
|---|---|---|---|---|
| STMicroelectronics | SENSOR TEMP I2C/SMBUS 8MSOP | 711 | BUY |


Product
Brand
Articles
Tools








