Analog Devices AD9215BCP-65EBEvaluation Board For AD9215 3 V A/D Converter ,10-Bit, 65/80/105 MSPS
Description
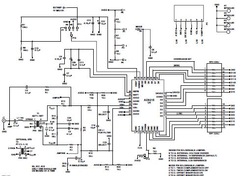
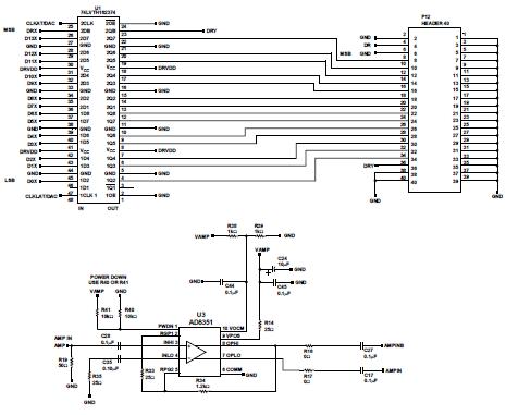
The Analog Devices AD9215BCP-65EB Evaluation Board is designed for use with the AD9215BCP-65, a single 3 V supply, 10-bit, 65 MSPS analog-to-digital converter (ADC). This board is ideal for communications and telecom applications, providing a platform for evaluating the performance of the AD9215BCP-65 ADC. The board includes a power supply, a reference voltage, and a variety of connectors for interfacing with external components. The board also includes a USB interface for easy connection to a PC, allowing for easy configuration and data transfer. The AD9215BCP-65EB Evaluation Board is a great tool for evaluating the performance of the AD9215BCP-65 ADC in communications and telecom applications.


Product
Brand
Articles
Tools











