Linear Technology/Analog Devices DC1571A-CBOARD SAR ADC LTC2381-16
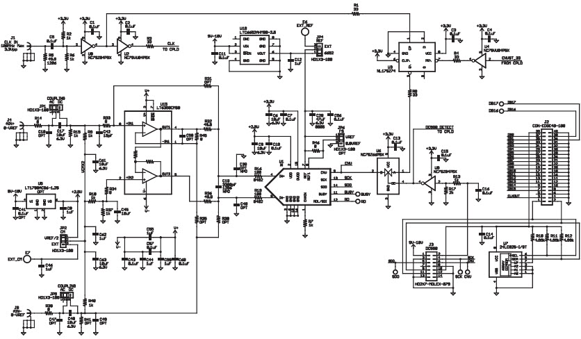
The Analog Devices DC1571A-C, LTC2381CMS-16 Demo Board is a 2.5V 16-bit 250Ksps Serial SPI SAR ADC designed for instrumentation and measurement applications. It features a low power, low noise, and high accuracy design, making it ideal for a wide range of applications. The board includes a 16-bit SAR ADC, a 16-bit digital-to-analog converter (DAC), and a 16-bit analog-to-digital converter (ADC). It also includes a serial peripheral interface (SPI) for communication with a host processor. The board is powered by a single 2.5V supply and is capable of sampling rates up to 250Ksps. The board is designed to be used with the Analog Devices LTC2381CMS-16 ADC, which is a low-power, low-noise, high-accuracy ADC. The board is also compatible with other Analog Devices ADCs. The board is ideal for instrumentation and measurement applications, such as data acquisition, signal conditioning, and control systems.
- TypeParameter
- Lifecycle StatusPRODUCTION (Last Updated: 3 weeks ago)
- Factory Lead Time8 Weeks
- Number of Pins0
- PackagingBox
- Published2010
- Part StatusActive
- Moisture Sensitivity Level (MSL)1 (Unlimited)
- Base Part NumberLTC2381
- InterfaceSPI
- Number of Bits16
- Utilized IC / PartLTC2381-16
- Supplied ContentsBoard(s)
- Data InterfaceSPI
- Sampling Rate250 ksps
- Evaluation KitYes
- Sampling Rate (Per Second)250k
- Number of A/D Converters1
- Input Range±2.5V
- Power (Typ) @ Conditions3.25mW @ 250kSPS
- REACH SVHCNo SVHC
- RoHS StatusROHS3 Compliant
| Part Number | Manufacturer | Description | Stock | RFQ |
|---|---|---|---|---|
| Analog Devices, Inc. | 0 | RFQ | ||
| Analog Devices, Inc. | 0 | RFQ | ||
| Microchip Technology | MICROCHIP - 24LC025-I/ST - SERIAL EEPROM, 2KBIT, 400KHZ, TSSOP-8 | 25 | RFQ | |
| Analog Devices, Inc. | 0 | RFQ |


Product
Brand
Articles
Tools










