Analog Devices EVAL-AD1853EBOthers Evalbrd 192KHz Multibit Sigma Delta DAC
Description
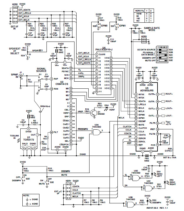
The Analog Devices EVAL-AD1853EB Evaluation Board is a high-performance, 24-bit stereo digital-to-analog converter audio processor. It is designed to evaluate the performance of the AD1853, a high-performance, low-power, 24-bit stereo digital-to-analog converter. The board features a wide range of features, including a low-noise power supply, a low-noise analog output stage, and a high-performance digital filter. It also includes a variety of connectors, including a USB port, a stereo line-in, and a stereo line-out. The board is designed to be used with a variety of audio applications, including home theater systems, professional audio systems, and automotive audio systems.


Product
Brand
Articles
Tools





