Analog Devices Inc. EVAL-AD1955EBZANALOG DEVICES EVAL-AD1955EBZ.EVAL BOARD, AD1955 STEREO DIGITAL AUDIO PLAYBACK
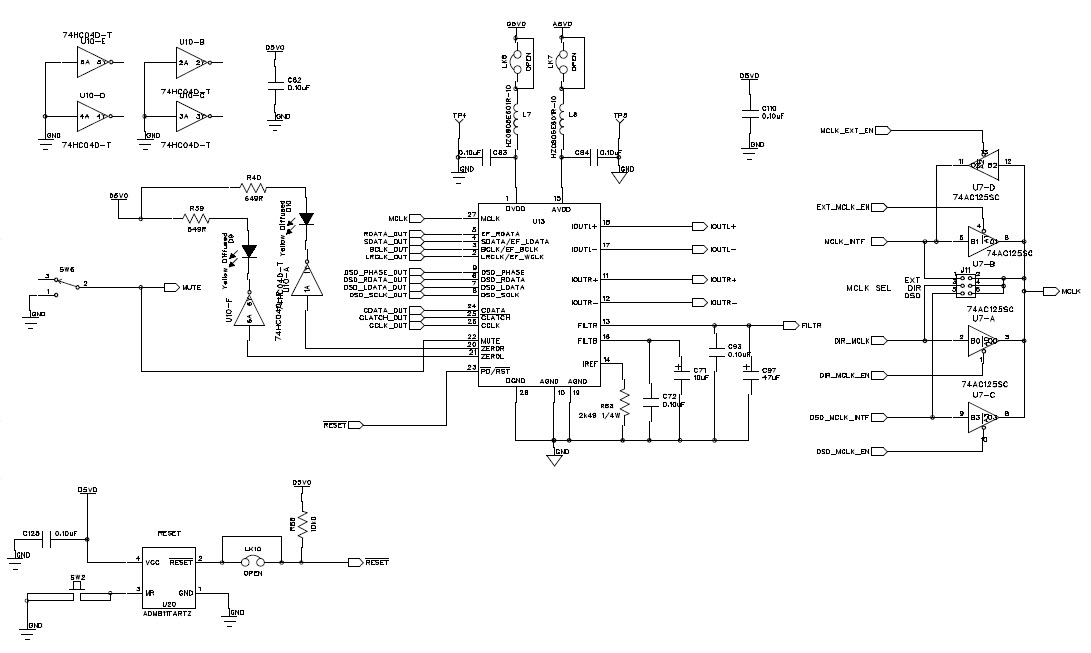
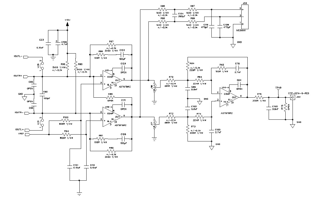
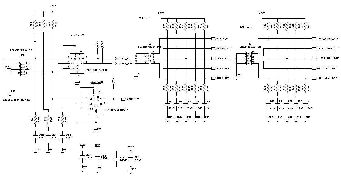
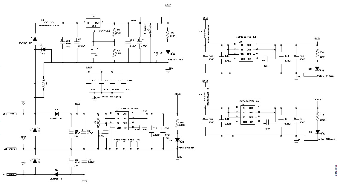
The Analog Devices EVAL-AD1955EBZ Evaluation Board is a powerful tool for evaluating the performance of the AD1955 High Performance Multibit Sigma-Delta DAC with SACD Playback Audio Processor. This board features a wide range of features, including a high-performance, low-noise, low-distortion, and low-power design. It also includes a wide range of analog and digital audio interfaces, including I2S, S/PDIF, and AES/EBU. The board also includes a variety of digital signal processing functions, such as sample rate conversion, digital filtering, and dynamic range control. Additionally, the board includes a variety of analog and digital control functions, such as volume control, mute, and balance. The board also includes a variety of power management features, such as power-on reset, power-down, and power-saving modes. The board is designed to be used with a variety of audio systems, including home theater systems, car audio systems, and professional audio systems.
- TypeParameter
- Lifecycle StatusPRODUCTION (Last Updated: 3 months ago)
- Factory Lead Time8 Weeks
- Package / Case120
- Number of Pins0
- PackagingBox
- Part StatusActive
- Moisture Sensitivity Level (MSL)1 (Unlimited)
- Max Operating Temperature85°C
- Min Operating Temperature-40°C
- Base Part NumberAD1955
- Operating Supply Voltage5V
- InterfaceSerial
- Number of Bits24
- Utilized IC / PartAD1955
- Supplied ContentsBoard(s)
- Data InterfaceSerial
- Resolution3 B
- Sampling Rate192 ksps
- Evaluation KitYes
- Sampling Rate (Per Second)192k
- Number of DAC Channels2
- DAC TypeCurrent
- REACH SVHCNo SVHC
- Radiation HardeningNo
- RoHS StatusROHS3 Compliant
- Lead FreeContains Lead
| Part Number | Manufacturer | Description | Stock | RFQ |
|---|---|---|---|---|
| Analog Devices Inc. | ANALOG DEVICES ADM811TARTZ-REEL7Supervisor, Active-Low Reset, 1.2V-5.5Vin, SOT-143-3 | 120 | BUY | |
| Analog Devices Inc. | ANALOG DEVICES AD797BRZOperational Amplifier, Single, 110 MHz, 1 Amplifier, 20 V/s,5V to18V, SOIC, 8 Pins | 7 | RFQ | |
| Analog Devices Inc. | IC DAC/AUDIO 24BIT 192K 28SSOP | 36 | RFQ | |
| STMicroelectronics | STMICROELECTRONICS - LM317MDT-TR - Linear Voltage Regulator, Adjustable, 4.2V to 40V input, 1.2V to 37V/500 mA out, TO-252-3 | 1387500 | RFQ | |
| Texas Instruments | IC, 2BIT BUS TRANSCEIVER, SSOP-8 | 30000 | RFQ | |
| Analog Devices Inc. | IC OPAMP GP 110MHZ 8SOIC | 30000 | RFQ | |
| Analog Devices Inc. | Microphone Preamplifiers Ultralow Distortion Ultralow Noise | 3000 | RFQ | |
| Texas Instruments | IC BUS TRANSCVR 2BIT N-INV SM8 | 81 | BUY | |
| Analog Devices Inc. | IC DAC/AUDIO 24BIT 192K 28SSOP | 9000 | RFQ | |
| Lattice Semiconductor Corporation | CPLD ispMACH 4A Family 5K Gates 128 Macro Cells 83.3MHz/118MHz 5V 100-Pin PQFP Tray | 330 | RFQ |


Product
Brand
Articles
Tools
























