Analog Devices, Inc. AD6645-105/PCBZ
Description
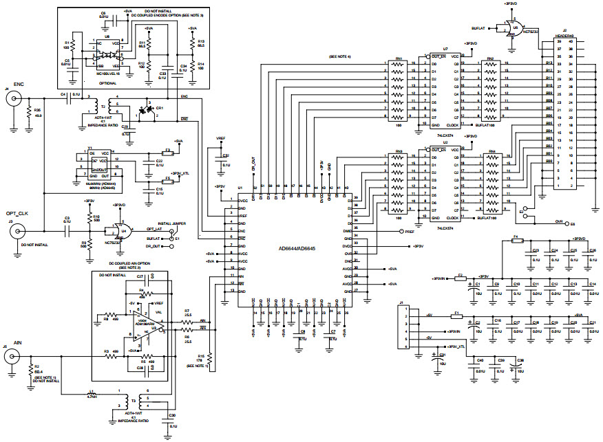
The Analog Devices AD6645-105/PCBZ Evaluation Board is designed to evaluate the performance of the AD6645 14-bit, 105 MSPS A/D converter. This board is ideal for applications in communications and telecom, providing a high-speed, low-power solution for signal conversion. The board features a wide range of input and output connectors, allowing for easy connection to external devices. It also includes a variety of test points and jumpers for easy configuration and testing. The board is powered by a single +5V supply and is compatible with a variety of development platforms. With its high-speed, low-power performance, the AD6645-105/PCBZ Evaluation Board is an ideal solution for communications and telecom applications.
Specifications
Analog Devices, Inc. technical specifications, attributes, parameters and parts with similar specifications to Analog Devices, Inc. .
- TypeParameter
- Number of Pins0
- Max Operating Temperature85°C
- Min Operating Temperature-40°C
- Number of Channels1
- Power Dissipation1.5W
- Max Input Voltage2.2V
- Resolution1.75 B
- Signal to Noise Ratio (SNR)75 dB
- Capacitance - Input1.5pF
- RoHS StatusRoHS Compliant
- Lead FreeContains Lead
0 Similar Products Remaining
Technical Documents
Associated Products
| Part Number | Manufacturer | Description | Stock | RFQ |
|---|---|---|---|---|
| STMicroelectronics | IC OPAMP GP 1.1MHZ 8SO | 97669 | RFQ | |
| Texas Instruments | IC OPAMP GP 2 CIRCUIT 8SOIC | 9000 | RFQ | |
| Texas Instruments | Operational Amplifiers - Op Amps Dual Operational Amplifier | 9234 | RFQ |


Product
Brand
Articles
Tools







