Analog Devices, Inc. AD9216-80PCBZ10-BIT, 65/80/105 MSPS DUAL A/D CONVERTER
Description
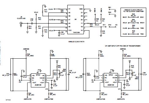
The Analog Devices AD9216-80PCBZ Evaluation Board is designed to evaluate the performance of the AD9216BCPZ-80, a 10-bit, 80 MSPS dual A/D converter. This board is ideal for applications in communications and telecom, providing a platform for testing and evaluating the performance of the AD9216BCPZ-80. The board features a wide range of input and output connectors, allowing for easy connection to external devices. It also includes a power supply, reference voltage, and a variety of test points for monitoring and debugging. The board is designed to be used with the AD9216BCPZ-80, but can also be used with other A/D converters.
Specifications
Analog Devices, Inc. technical specifications, attributes, parameters and parts with similar specifications to Analog Devices, Inc. .
- TypeParameter
- Max Operating Temperature85°C
- Min Operating Temperature-40°C
- InterfaceParallel
- Number of Bits10
- Sampling Rate80 Msps
- Evaluation KitYes
- RoHS StatusRoHS Compliant
0 Similar Products Remaining
Technical Documents
Associated Products
| Part Number | Manufacturer | Description | Stock | RFQ |
|---|---|---|---|---|
| Analog Devices, Inc. | 0 | RFQ | ||
| Analog Devices Inc. | ANALOG DEVICES AD8139ARDZ Differential Amplifier, ADC Driver, 1 Amplifiers, 500 V, 1.001 dB, 440 MHz, -40 C, 125 C | 66 | RFQ | |
| Analog Devices Inc. | ANALOG DEVICES AD8139ACPZ-R2 Differential Amplifier, ADC Driver, 1 Amplifiers, 500 V, 1.001 dB, 410 MHz, -40 C, 125 C | 160 | RFQ | |
| Analog Devices Inc. | SP Amp DIFF AMP Single R-R O/P ±6V/12V 8-Pin SOIC N EP T/R | 3000 | RFQ | |
| Analog Devices Inc. | IC ADC 10BIT DUAL 80MSPS 64LFCSP | 1 | BUY | |
| Analog Devices Inc. | SP Amp DIFF AMP Single R-R O/P ±6V/12V 8-Pin SOIC N EP T/R | 88 | RFQ | |
| Analog Devices Inc. | IC OPAMP DIFF 410MHZ RRO 8LFCSP | 5 | RFQ | |
| Analog Devices Inc. | IC OPAMP DIFF 410MHZ RRO 8LFCSP | 5000 | RFQ |


Product
Brand
Articles
Tools













