Analog Devices, Inc. AD9236BCP-80EBZ
Description
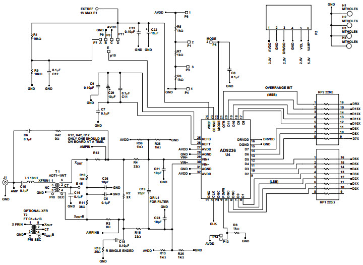
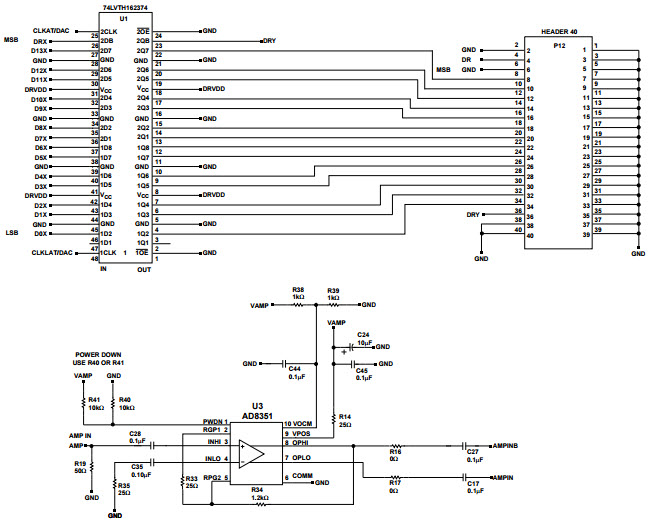
The Analog Devices AD9236BCP-80EBZ, LFCSP Evaluation Board is designed to evaluate the performance of the AD9236BCP 12-bit, 80 MSPS A/D converter, power management ICs, and clock synthesizers. This evaluation board features a wide range of features, including a high-speed, low-power A/D converter, a low-noise power supply, and a low-jitter clock synthesizer. The board also includes a variety of test points and connectors for easy evaluation of the AD9236BCP. The board is designed to be used with the AD9236BCP-80EBZ evaluation software, which provides a graphical user interface for easy evaluation of the AD9236BCP. The evaluation board is ideal for applications such as medical imaging, communications, and instrumentation.
Specifications
Analog Devices, Inc. technical specifications, attributes, parameters and parts with similar specifications to Analog Devices, Inc. .
- TypeParameter
- Number of Pins32
- Max Operating Temperature85°C
- Min Operating Temperature-40°C
- Number of Channels1
- Power Dissipation411mW
- Min Input Voltage500mV
- Max Input Voltage1V
- Resolution1.5 B
- Sampling Rate80 Msps
- Signal to Noise Ratio (SNR)70.9 dB
- Capacitance - Input7pF
- RoHS StatusRoHS Compliant
- Lead FreeContains Lead
0 Similar Products Remaining
Technical Documents
Associated Products
| Part Number | Manufacturer | Description | Stock | RFQ |
|---|---|---|---|---|
| Analog Devices | RF Amp Single DIFF Amp 5.5V 10-Pin MSOP T/R | 0 | RFQ | |
| Analog Devices, Inc. | 0 | RFQ | ||
| Analog Devices Inc. | ANALOG DEVICES - AD8351ARMZ - Amplificateur RF, gain de 26 dB, 10 MHz à 2,2 GHz, 3 V à 5,5 V, 320 mW, MSOP-10 | 9 | RFQ | |
| Analog Devices Inc. | Single ADC Pipelined 80Msps 12-bit Parallel 32-Pin LFCSP EP Tray | 42 | RFQ | |
| Analog Devices Inc. | RF Amp Chip Single GP 5.5V 10-Pin MSOP T/R | 4 | BUY | |
| Analog Devices, Inc. | 0 | RFQ | ||
| Analog Devices, Inc. | 0 | RFQ |


Product
Brand
Articles
Tools












