Analog Devices Inc. AD9249-65EBZEVAL BOARD 14BIT 65MSPS ADC
Description
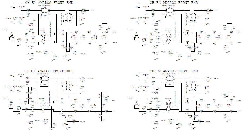
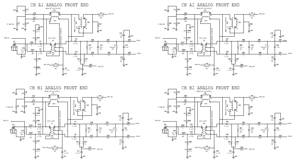
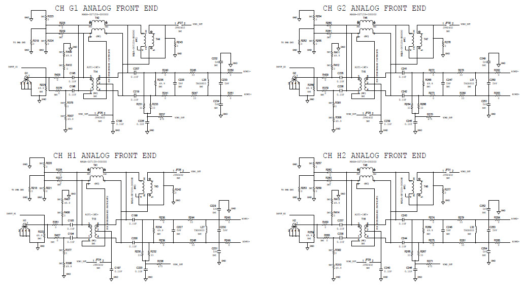
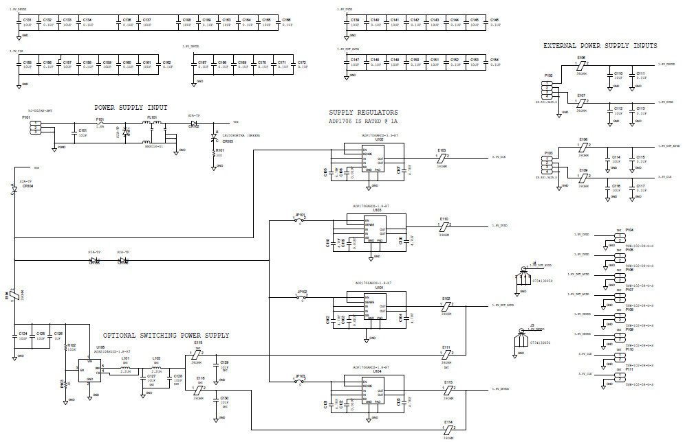
The Analog Devices AD9249-65EBZ Evaluation Board is designed for the AD9249, a hex (16-channel) 14-bit ADC Communications and Telecom IC. This board provides a platform for evaluating the performance of the AD9249 in a variety of applications. It features a wide range of input and output connectors, allowing for easy connection to external devices. The board also includes a variety of test points and jumpers for easy configuration and testing. The board is powered by a 5V DC power supply and includes a USB interface for programming and data transfer. The AD9249-65EBZ Evaluation Board is an ideal tool for evaluating the performance of the AD9249 in communications and telecom applications.
Specifications
Analog Devices Inc. technical specifications, attributes, parameters and parts with similar specifications to Analog Devices Inc. .
- TypeParameter
- Lifecycle StatusPRODUCTION (Last Updated: 1 month ago)
- Factory Lead Time8 Weeks
- MountPCB
- Number of Pins0
- PackagingBox
- Part StatusActive
- Moisture Sensitivity Level (MSL)1 (Unlimited)
- Max Operating Temperature85°C
- Min Operating Temperature-40°C
- Base Part NumberAD9249
- Number of Channels16
- InterfaceLVDS, SPI, Serial
- Operating Supply Current500mA
- Power Dissipation995mW
- Number of Bits14
- Min Input Voltage1V
- Max Input Voltage1V
- Utilized IC / PartAD9249
- Supplied ContentsBoard(s)
- Data InterfaceLVDS - Serial
- Resolution1.75 B
- Sampling Rate65 Msps
- Evaluation KitYes
- Sampling Rate (Per Second)65M
- Number of A/D Converters16
- Input Range2Vpp
- Power (Typ) @ Conditions924mW @ 65MSPS
- RoHS StatusROHS3 Compliant
- Lead FreeContains Lead
0 Similar Products Remaining
Technical Documents
Associated Products
| Part Number | Manufacturer | Description | Stock | RFQ |
|---|---|---|---|---|
| Analog Devices Inc. | ANALOG DEVICES - AD8332ARUZ - IC, VGA, DUAL, PREAMP, SMD, TSSOP28 | 5 | RFQ | |
| Analog Devices Inc. | SP Amp Variable Gain Amp Dual 5.5V 28-Pin TSSOP T/R | 3000 | RFQ | |
| Analog Devices Inc. | SP Amp Variable Gain Amp Dual 5.5V 28-Pin TSSOP T/R | 17 | BUY |


Product
Brand
Articles
Tools






























