Analog Devices Inc. AD9252-50EBZOCTAL, 14-BIT, 50 MSPS SERIAL LVDS 1.8 V A/D CONVERTER
Description
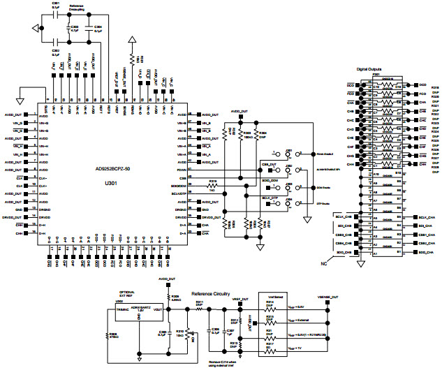
The Analog Devices AD9252-50EBZ Evaluation Board is designed to evaluate the performance of the AD9252 Octal, 14-Bit, 50 MSPS Serial LVDS ADC. This board is ideal for medical and healthcare applications, providing high-speed, low-power, and low-noise performance. It features a wide input range of 0.5V to 3.3V, and a low power consumption of only 1.2W. The board also includes a variety of features such as a built-in reference voltage, a programmable gain amplifier, and a digital filter. Additionally, the board is compatible with a variety of software packages, making it easy to integrate into existing systems.
Specifications
Analog Devices Inc. technical specifications, attributes, parameters and parts with similar specifications to Analog Devices Inc. .
- TypeParameter
- Lifecycle StatusLAST TIME BUY (Last Updated: 1 week ago)
- MountPCB
- Number of Pins0
- PackagingBox
- Part StatusObsolete
- Moisture Sensitivity Level (MSL)1 (Unlimited)
- Max Operating Temperature85°C
- Min Operating Temperature-40°C
- Base Part NumberAD9252
- Operating Supply Voltage1.9V
- Number of Channels8
- InterfaceSerial
- Power Dissipation748mW
- Number of Bits14
- Min Input Voltage1V
- Max Input Voltage1V
- Utilized IC / PartAD9252-50
- Supplied ContentsBoard(s)
- Data InterfaceSerial
- Resolution1.75 B
- Sampling Rate50 Msps
- Evaluation KitYes
- Sampling Rate (Per Second)50M
- Number of A/D Converters8
- Signal to Noise Ratio (SNR)73.2 dB
- Input Range2Vpp
- Power (Typ) @ Conditions748mW @ 50MSPS
- RoHS StatusROHS3 Compliant
- Lead FreeContains Lead
0 Similar Products Remaining
Technical Documents
Associated Products
| Part Number | Manufacturer | Description | Stock | RFQ |
|---|---|---|---|---|
| Analog Devices Inc. | ANALOG DEVICES AD8346ARUZ. QUAD MODULATOR, 0.8-2.5GHZ, 16-TSSOP | 30 | RFQ | |
| Analog Devices Inc. | Quadrature Mod 70MHz 16-Pin TSSOP T/R | 16 | BUY | |
| Analog Devices Inc. | Quadrature Mod 70MHz 16-Pin TSSOP T/R | 29 | BUY |


Product
Brand
Articles
Tools
























