Analog Devices Inc. AD9259-50EBZBOARD EVAL FOR LFCSP A/D CONV
Description
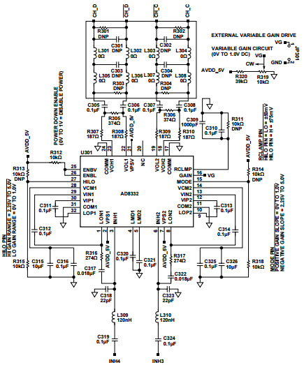
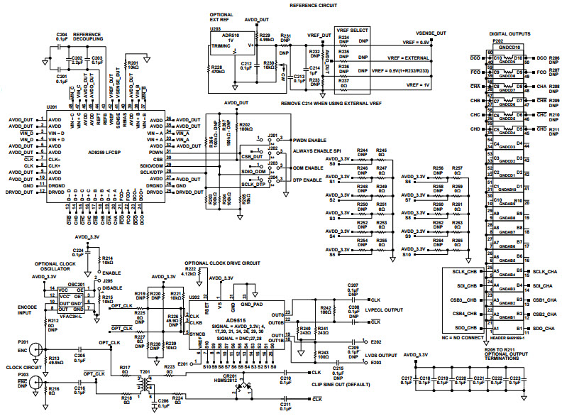
The Analog Devices AD9259-50EBZ Evaluation Board is designed to evaluate the performance of the AD9259 Quad, 14-Bit, 50 MSPS Serial LVDS ADC. This board is ideal for medical and healthcare applications, providing high-speed, low-power, and low-noise performance. It features four AD9259 ADC channels, each with a sampling rate of 50 MSPS, and a wide input bandwidth of up to 200 MHz. The board also includes a variety of features such as a low-noise power supply, a high-speed clock generator, and a wide range of input and output connectors. The board is designed to be used with the Analog Devices AD9259 Evaluation Software, which provides a comprehensive suite of tools for evaluating the performance of the AD9259 ADC.
Specifications
Analog Devices Inc. technical specifications, attributes, parameters and parts with similar specifications to Analog Devices Inc. .
- TypeParameter
- Lifecycle StatusPRODUCTION (Last Updated: 3 months ago)
- Factory Lead Time8 Weeks
- Number of Pins48
- PackagingBox
- Part StatusActive
- Moisture Sensitivity Level (MSL)1 (Unlimited)
- Max Operating Temperature85°C
- Min Operating Temperature-40°C
- Base Part NumberAD9259
- Operating Supply Voltage1.9V
- Number of Channels4
- InterfaceSerial
- Power Dissipation392mW
- Number of Bits14
- Min Input Voltage1V
- Max Input Voltage1V
- Utilized IC / PartAD9259
- Supplied ContentsBoard(s), Power Supply
- Data InterfaceSerial
- Resolution1.75 B
- Sampling Rate50 Msps
- Evaluation KitYes
- Sampling Rate (Per Second)50M
- Number of A/D Converters4
- Input Capacitance7pF
- Signal to Noise Ratio (SNR)73.5 dB
- Input Range2Vpp
- Power (Typ) @ Conditions392mW @ 50MSPS
- Radiation HardeningNo
- RoHS StatusROHS3 Compliant
- Lead FreeContains Lead
0 Similar Products Remaining
Technical Documents
Associated Products
| Part Number | Manufacturer | Description | Stock | RFQ |
|---|---|---|---|---|
| Analog Devices Inc. | ANALOG DEVICES AD8347ARUZ IC, QUADRATURE,DEMOD,28-TSSOP | 32 | RFQ | |
| Analog Devices Inc. | Quadrature Dmod 65MHz 28-Pin TSSOP T/R | 3256 | BUY |


Product
Brand
Articles
Tools




















