Analog Devices Inc. AD9641-80KITZBOARD EVAL FOR AD9641
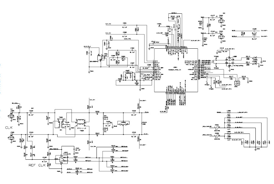
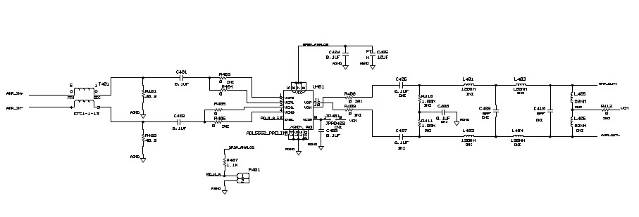
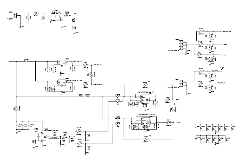
The Analog Devices AD9641-80KITZ Evaluation Board is a powerful tool for automotive and transportation applications. It is equipped with a 14-bit, 155 MSPS analog-to-digital converter and a high speed serial output interface. This board is designed to evaluate the performance of the AD9641-80KITZ, a high-speed, low-power, low-noise, 14-bit, 155 MSPS analog-to-digital converter. It features a wide input range, low power consumption, and a high-speed serial output interface. The board also includes a variety of test points and connectors for easy evaluation and testing. The AD9641-80KITZ Evaluation Board is an ideal solution for automotive and transportation applications that require high-speed, low-power, and low-noise analog-to-digital conversion.
- TypeParameter
- Number of Pins0
- PackagingBulk
- Part StatusActive
- Moisture Sensitivity Level (MSL)2 (1 Year)
- Base Part NumberAD9641
- Operating Supply Voltage6V
- InterfaceSPI
- Number of Bits14
- Utilized IC / PartAD9641
- Supplied ContentsBoard(s)
- Data InterfaceSPI
- Sampling Rate80 Msps
- Evaluation KitYes
- Sampling Rate (Per Second)80M
- Number of A/D Converters1
- Input Range1.4 ~ 2.1Vpp
- RoHS StatusROHS3 Compliant
- Lead FreeContains Lead
| Part Number | Manufacturer | Description | Stock | RFQ |
|---|---|---|---|---|
| Murata Electronics | MURATA - BNX016-01 - Power Line Filter, 25 V, EMI, RFI, 15 A, Through Hole | 3391 | RFQ | |
| Analog Devices Inc. | IC OPAMP RF/IF DIFF 16LFCSP | 0 | RFQ | |
| Analog Devices | SP Amp DIFF AMP Single 3.6V 16-Pin LFCSP EP T/R | 2630 | RFQ | |
| Analog Devices Inc. | IC SWITCH QUAD SPDT 20TSSOP | 20 | RFQ | |
| Analog Devices Inc. | Analog Switch Quad SPDT 20-Pin TSSOP T/R | 7600 | RFQ | |
| Analog Devices Inc. | ANALOG DEVICES - ADN4661BRZ - IC, DRIVER, DIFF, LVDS, 1CH, 8SO | 2 | BUY | |
| Analog Devices Inc. | IC REG LINEAR 3.3V 300MA TSOT5 | 1233 | BUY | |
| Analog Devices Inc. | IC DRIVER DIFF LVDS 1CH 8SOIC | 1000 | RFQ | |
| Analog Devices Inc. | IC REG LINEAR 1.8V 1A 8SOIC | 4 | RFQ | |
| Analog Devices Inc. | IC REG BCK 1.8V 0.6A SYNC TSOT23 | 5 | RFQ | |
| Analog Devices Inc. | ADC Single Pipelined 80Msps 14-bit Serial 32-Pin LFCSP EP T/R | 20 | BUY |


Product
Brand
Articles
Tools























