Analog Devices Inc. AD9644-155KITZAD9644, ADC, SPI, EVALUATION BOARD
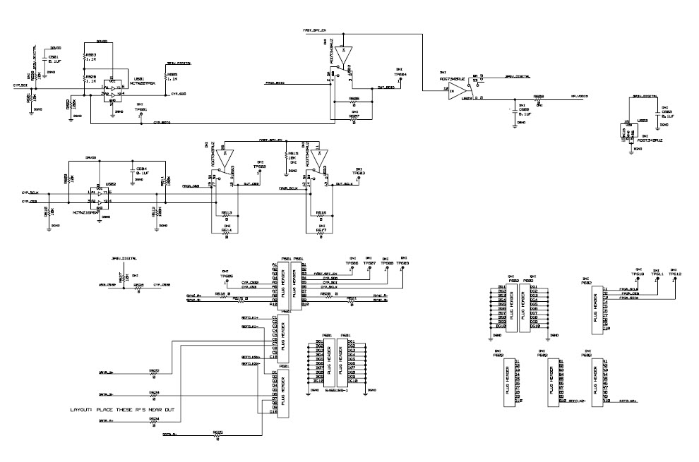
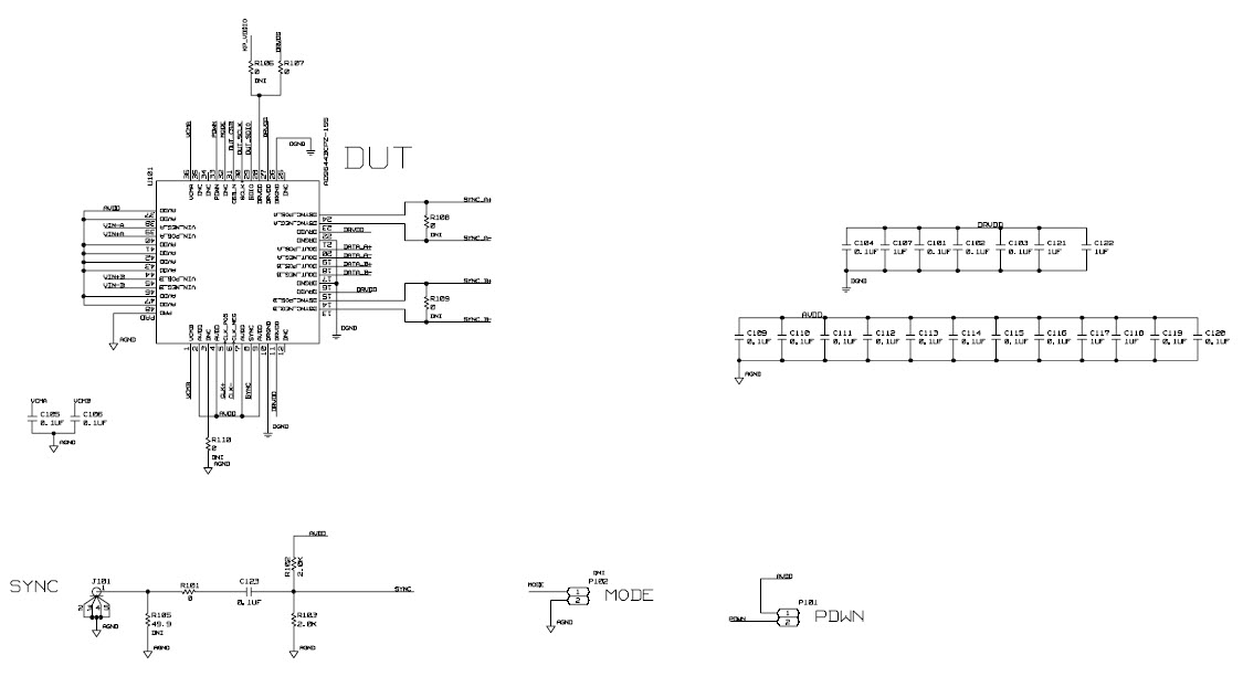
The Analog Devices AD9644-155KITZ Evaluation Board is a powerful tool for automotive and transportation applications. It is equipped with the AD9644BCPZ-155, a 14-bit, 155 MSPS analog-to-digital converter with a high speed serial output interface. This board is designed to evaluate the performance of the AD9644BCPZ-155 in a variety of automotive and transportation applications. It features a wide range of input and output connectors, as well as a variety of test points for easy evaluation. The board also includes a power supply and a USB interface for easy connection to a PC. The AD9644-155KITZ Evaluation Board is an ideal tool for automotive and transportation engineers looking to evaluate the performance of the AD9644BCPZ-155 in their applications.
- TypeParameter
- Number of Pins48
- PackagingBulk
- Part StatusActive
- Moisture Sensitivity Level (MSL)1 (Unlimited)
- Max Operating Temperature85°C
- Min Operating Temperature-40°C
- Base Part NumberAD9644
- Operating Supply Voltage1.8V
- Number of Channels2
- InterfaceSerial
- Number of Bits14
- Max Input Voltage2.1V
- Utilized IC / PartAD9644
- Supplied ContentsBoard(s)
- Data InterfaceSerial
- Resolution1.75 B
- Sampling Rate155 Msps
- Evaluation KitYes
- Sampling Rate (Per Second)155M
- Number of A/D Converters2
- Input Capacitance5pF
- Input Range1.4 ~ 2.1Vpp
- REACH SVHCNo SVHC
- RoHS StatusROHS3 Compliant
- Lead FreeContains Lead
| Part Number | Manufacturer | Description | Stock | RFQ |
|---|---|---|---|---|
| Murata Electronics | MURATA - BNX016-01 - Power Line Filter, 25 V, EMI, RFI, 15 A, Through Hole | 3391 | RFQ | |
| Analog Devices | SP Amp Variable Gain Amp Dual 5.5V 32-Pin LFCSP EP Tray | 16 | RFQ | |
| Analog Devices Inc. | IC REG LINEAR POS ADJ 1A 8SOIC | 7045 | BUY | |
| Analog Devices Inc. | ANALOG DEVICES - ADN4661BRZ - IC, DRIVER, DIFF, LVDS, 1CH, 8SO | 2 | BUY | |
| Analog Devices Inc. | ANALOG DEVICES ADP2114ACPZ-R7BUCK, REG, SYNCHR, 2A/4A, 32LFCSP | 10 | RFQ | |
| Analog Devices Inc. | ANALOG DEVICES ADP150AUJZ-3.3-R7 Fixed LDO Voltage Regulator, 2.2V to 5.5V, 105mV Dropout, 3.3Vout, 150mAout, TSOT-5 | 53 | RFQ | |
| Analog Devices Inc. | ANALOG DEVICES ADG734BRUZAnalogue Switch, Quad Channel, SPDT, 4 Channels, 2.5 ohm, 1.8V to 5.5V, TSSOP, 20 Pins | 1200 | RFQ | |
| Analog Devices Inc. | IC OPAMP VGA 700MHZ 32LFCSP | 1000 | RFQ | |
| Analog Devices Inc. | IC DRIVER DIFF LVDS 1CH 8SOIC | 1000 | RFQ | |
| Analog Devices Inc. | IC REG LINEAR 1.8V 1A 8SOIC | 4 | RFQ |


Product
Brand
Articles
Tools
























