Analog Devices Inc. AD-FMCOMMS2-EBZReference Board Designed To Showcase The AD9361
Description
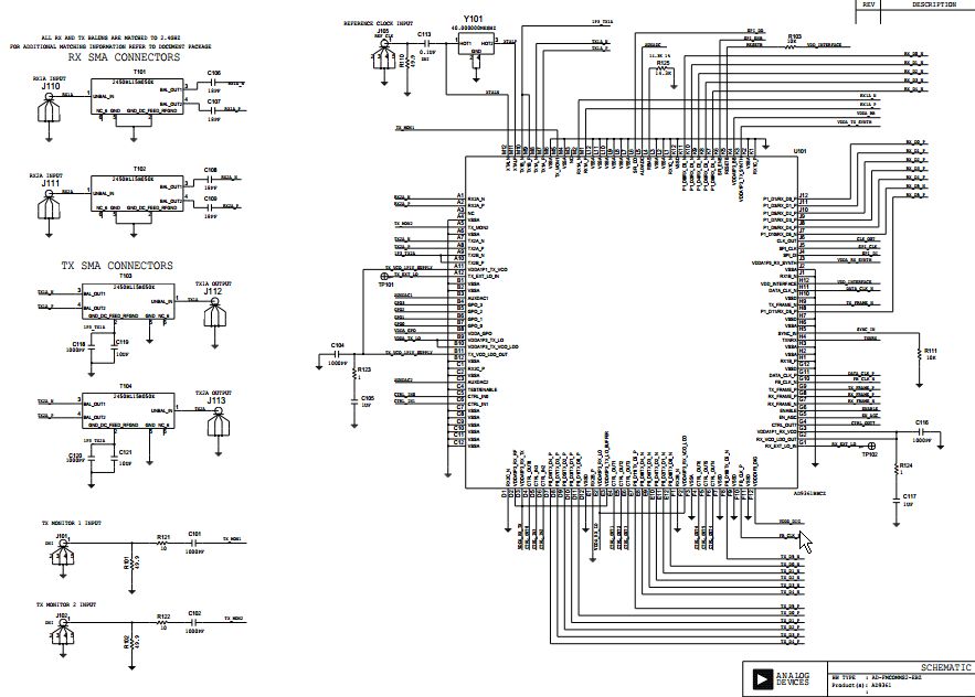
The Analog Devices AD-FMCOMMS2-EBZ Evaluation Board is a high-performance, highly integrated RF transceiver designed for RF applications, communications, and telecom. It is based on the AD9361, a high-performance, highly integrated RF transceiver that supports a wide range of frequency bands and data rates. The board features a wide range of features, including a wideband RF front-end, a low-noise amplifier, a programmable gain amplifier, a digital-to-analog converter, and a digital-to-analog converter. It also includes a wide range of software and hardware tools for development and testing. The board is designed to be used with a variety of development platforms, including the Analog Devices AD-FMCOMMS2-EBZ Evaluation Board.
Specifications
Analog Devices Inc. technical specifications, attributes, parameters and parts with similar specifications to Analog Devices Inc. .
- TypeParameter
- Lifecycle StatusPRODUCTION (Last Updated: 3 weeks ago)
- Factory Lead Time8 Weeks
- MountHardware
- Number of Pins0
- Part StatusActive
- Moisture Sensitivity Level (MSL)1 (Unlimited)
- TypeTransceiver
- Frequency2.4GHz
- Base Part NumberAD9361
- Supplied ContentsBoard(s)
- Evaluation KitYes
- REACH SVHCNo SVHC
- RoHS StatusNon-RoHS Compliant
- Lead FreeContains Lead
0 Similar Products Remaining
Technical Documents
Associated Products
| Part Number | Manufacturer | Description | Stock | RFQ |
|---|---|---|---|---|
| Analog Devices Inc. | ANALOG DEVICES AD9361BBCZRF TRANSCEIVER, 70MHZ-6GHZ, CSP_BGA-144 | 0 | RFQ | |
| Analog Devices Inc. | IC ADC I2C/SRL 22.22K 20LFCSP | 125 | RFQ | |
| Analog Devices Inc. | RF Transceiver 1.3V 144-Pin CSP-BGA T/R | 2153 | RFQ | |
| Analog Devices Inc. | IC REG LIN POS ADJ 1.2A 16LFCSP | 12884 | RFQ | |
| Analog Devices Inc. | ANALOG DEVICES - AD7291BCPZ - Analogue to Digital Converter, 12 bit, 22.22 kSPS, Single Ended, 2 Wire, I2C, Serial, Single | 5 | RFQ | |
| Analog Devices Inc. | ANALOG DEVICES ADP2164ACPZ-R7DC-DC Switching Buck Step Down Regulator, Adjustable, 2.7V-6.5Vin, 600mV-6.5Vout, 4Aout, LFCSP-16 | 0 | RFQ | |
| Analog Devices Inc. | IC REG BUCK 1V 4A SYNC 16LFCSP | 2 | RFQ | |
| Analog Devices Inc. | IC REG BUCK 1.8V 4A SYNC 16LFCSP | 30 | RFQ | |
| Analog Devices Inc. | Voltage Regulators - Switching Regulators 6.5V 4A Hi Eff Step-Down | 894 | RFQ | |
| Analog Devices Inc. | IC REG BUCK 3.3V 4A SYNC 16LFCSP | 10 | RFQ | |
| Analog Devices Inc. | Voltage Regulators - Switching Regulators 6.5V 4A Hi Eff Step-Down | 8370 | RFQ | |
| Analog Devices Inc. | Voltage Regulators - Switching Regulators 6.5V 4A Hi Eff Step-Down | 1500 | RFQ |
Load more


Product
Brand
Articles
Tools

















