Analog Devices Inc. EV1HMC6300BG46HMC6300BG46 EVALUATION PCB
Description
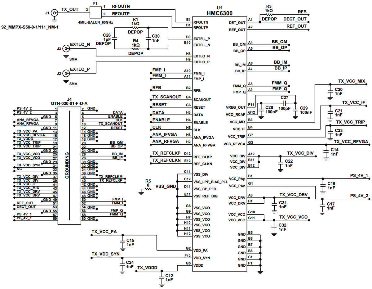
The Analog Devices EV1HMC6300BG46-BG46 Evaluation Board is designed to evaluate the performance of the HMC6300 57 to 64 GHz RF Transmitter. This board is ideal for applications in communications and telecom, such as 5G, WiGig, and automotive radar. It features a wide range of features, including a high-performance RF transmitter, a low-noise amplifier, a power detector, and a temperature sensor. The board also includes a USB interface for easy connection to a PC, and a graphical user interface for easy configuration and control. The board is designed to provide a complete solution for evaluating the performance of the HMC6300 RF transmitter.
Specifications
Analog Devices Inc. technical specifications, attributes, parameters and parts with similar specifications to Analog Devices Inc. .
- TypeParameter
- Lifecycle StatusPRODUCTION (Last Updated: 3 months ago)
- Factory Lead Time8 Weeks
- Number of Pins0
- Part StatusActive
- Moisture Sensitivity Level (MSL)1 (Unlimited)
- TypeTransmitter
- Frequency57GHz~64GHz
- Base Part NumberHMC630
- Supplied ContentsBoard(s)
- RoHS StatusROHS3 Compliant
0 Similar Products Remaining
Technical Documents
Associated Products
| Part Number | Manufacturer | Description | Stock | RFQ |
|---|---|---|---|---|
| Analog Devices, Inc. | 100 | RFQ | ||
| Linear Technology/Analog Devices | IC VOLTAGE COMPARATOR 5V 8-DIP | 0 | RFQ |


Product
Brand
Articles
Tools













