Analog Devices Inc. EVAL-AD5161DBZEVAL BOARD AD5161DBZ
Description
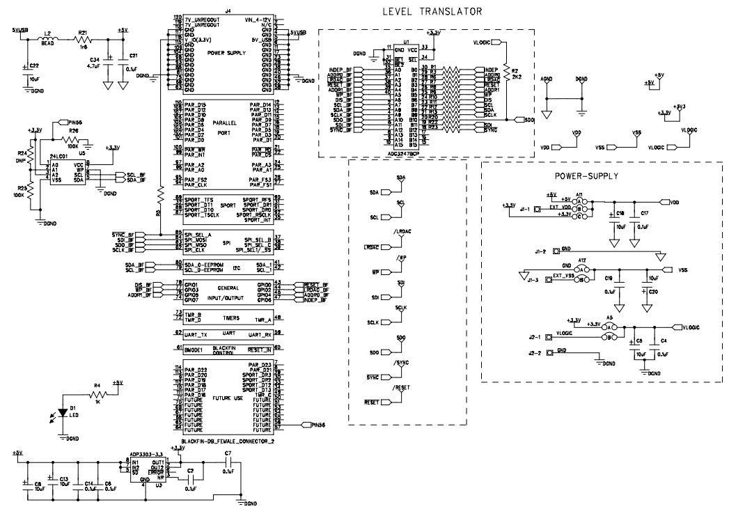
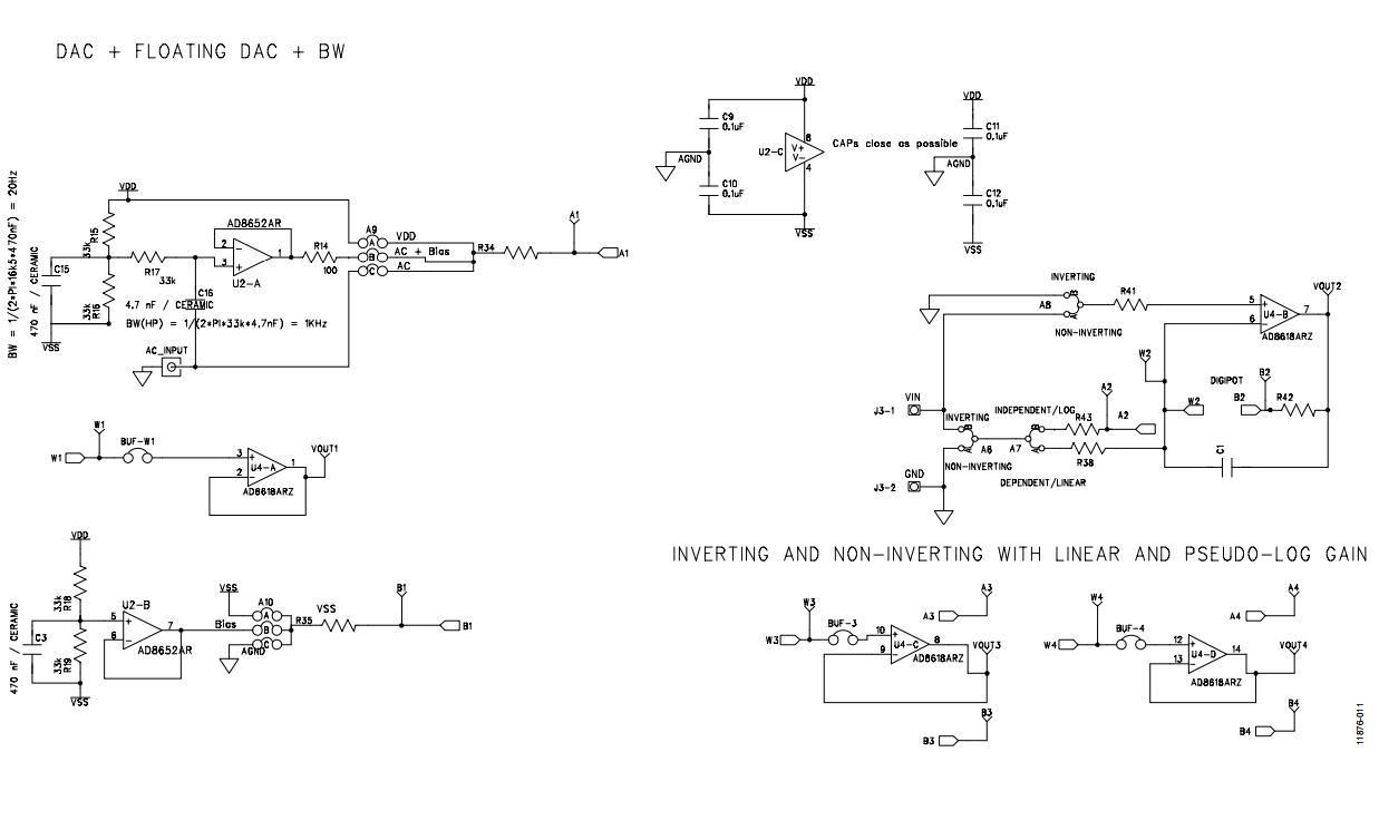
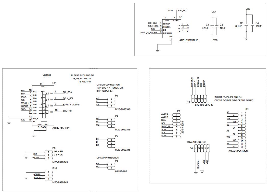
The Analog Devices EVAL-AD5161DBZ is an evaluation board designed to be used in conjunction with the low voltage digiPOT motherboard. It is suitable for use in multiple test circuits and communications and telecom applications. The board features a 5-bit digital potentiometer with a 256-position resolution, allowing for precise control of the resistance. It also includes a voltage reference, a power supply, and a temperature sensor. The board is designed to be used with the AD5161 digital potentiometer, and is capable of providing a wide range of resistance values. The board also includes a USB interface for easy connection to a PC, allowing for easy programming and monitoring of the device.
Specifications
Analog Devices Inc. technical specifications, attributes, parameters and parts with similar specifications to Analog Devices Inc. .
- TypeParameter
- Lifecycle StatusPRODUCTION (Last Updated: 3 weeks ago)
- Factory Lead Time8 Weeks
- MountPCB
- Number of Pins0
- Part StatusActive
- Moisture Sensitivity Level (MSL)1 (Unlimited)
- TypeData Acquisition
- Base Part NumberAD5161
- FunctionDigital Potentiometer
- Utilized IC / PartAD5161
- Supplied ContentsBoard(s)
- Evaluation KitYes
- Primary Attributes1 Channel, 256 Position
- Secondary AttributesGraphical User Interface
- RoHS StatusROHS3 Compliant
- Lead FreeContains Lead
0 Similar Products Remaining
Technical Documents
Associated Products
| Part Number | Manufacturer | Description | Stock | RFQ |
|---|---|---|---|---|
| STMicroelectronics | IC REG LDO 3.3V 0.1A TO92-3 | 32600 | BUY | |
| Analog Devices Inc. | IC CTRLR HOTSWAP 16.5V 10-MSOP | 187 | RFQ | |
| STMicroelectronics | STMICROELECTRONICS LE33CZ-TRFixed LDO Voltage Regulator, 5.3V to 18V, 200mV Dropout, 3.3Vout, 150mAout, TO-92-3 | 12000 | BUY |


Product
Brand
Articles
Tools














