Analog Devices Inc. EVAL-AD5162SDZANALOG DEVICES EVAL-AD5162SDZ AD5162SDZ EVALUATION MODULE
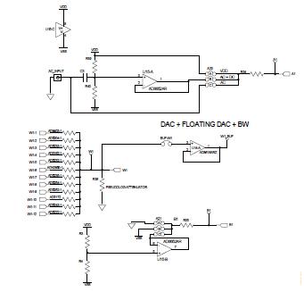
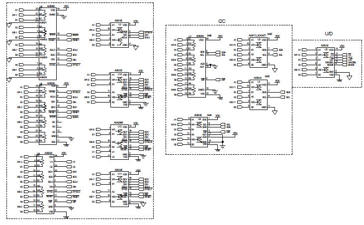
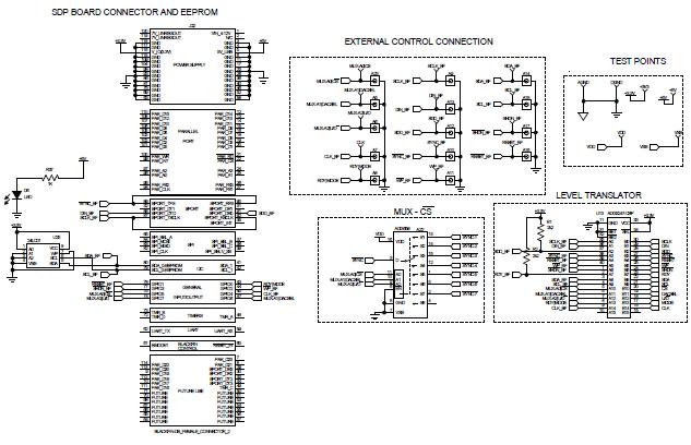
The Analog Devices EVAL-AD5162SDZ Evaluation Board is designed to evaluate the performance of the AD5162, a dual-channel, 256-position digital potentiometer. The board features two independent potentiometers, each with 256 taps, allowing for a wide range of resistance values. The board also includes a USB interface for easy connection to a PC, allowing for easy programming and control of the potentiometers. The board is ideal for instrumentation and measurement applications, such as voltage dividers, current dividers, and adjustable gain stages. The board also includes a variety of test points and connectors, allowing for easy connection to external circuits. The board is also compatible with a variety of development tools, making it easy to integrate into existing systems.
- TypeParameter
- Lifecycle StatusPRODUCTION (Last Updated: 1 week ago)
- Factory Lead Time8 Weeks
- Package / CaseModule
- Number of Pins0
- PackagingBulk
- Part StatusActive
- Moisture Sensitivity Level (MSL)1 (Unlimited)
- TypeData Acquisition
- Resistance2.5kOhm
- Max Operating Temperature125°C
- Base Part NumberAD5162
- FunctionDigital Potentiometer
- Operating Supply Voltage5.5V
- InterfaceSPI
- Utilized IC / PartAD5162
- Supplied ContentsBoard(s)
- Evaluation KitYes
- Primary Attributes2 Channel, 256 Position
- EmbeddedNo
- Secondary AttributesSPI Interface
- REACH SVHCNo SVHC
- RoHS StatusROHS3 Compliant
- Lead FreeContains Lead
| Part Number | Manufacturer | Description | Stock | RFQ |
|---|---|---|---|---|
| Microchip Technology | IC EEPROM 64KBIT 400KHZ SOT23-5 | 0 | RFQ | |
| Analog Devices Inc. | IC OPAMP VFB 50MHZ RRO 8MSOP | 1768 | RFQ | |
| Microchip | 8K X 8 I2C/2-WIRE SERIAL EEPROM, PDSO8, 3.90 MM, ROHS COMPLIANT, PLASTIC, SOIC-8 | 0 | RFQ | |
| Analog Devices Inc. | Analog Multiplexer Single 8:1 Automotive 16-Pin TSSOP T/R | 15 | RFQ | |
| Analog Devices Inc. | Precision Amplifiers 50MHz Low Distort Low Noise CMOS Prec | 0 | RFQ | |
| Microchip Technology | IC EEPROM 64KBIT 400KHZ 8TSSOP | 0 | RFQ | |
| Analog Devices Inc. | ANALOG DEVICES AD8618ARZOperational Amplifier, QUAD, 20 MHz, 4 Amplifier, 12 V/s, 2.7V to 5V, SOIC, 14 Pins | 0 | RFQ | |
| Analog Devices Inc. | Precision Amplifiers 50MHz Low Distort Low Noise CMOS Prec | 0 | RFQ | |
| Microchip Technology | IC EEPROM 64KBIT 400KHZ 8TDFN | 0 | RFQ | |
| Microchip Technology | EEPROM Serial-I2C 64K-bit 8K x 8 3.3V/5V Automotive 8-Pin MSOP Tube | 0 | RFQ | |
| Microchip | 8K X 8 I2C/2-WIRE SERIAL EEPROM, PDSO8, 3.90 MM, ROHS COMPLIANT, PLASTIC, SOIC-8 | 0 | RFQ |


Product
Brand
Articles
Tools






























