Analog Devices Inc. EVAL-AD7091SDZANALOG DEVICES EVAL-AD7091SDZAD7091SDZ EVALUATION MODULE
Description
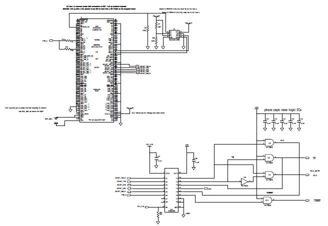
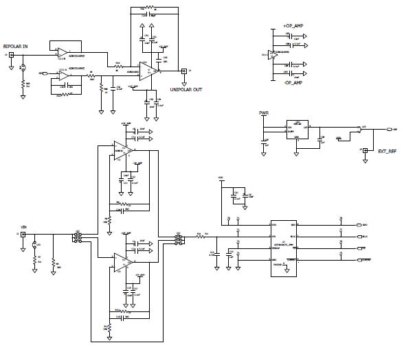
The EVAL-AD7091SDZ Evaluation Board from Analog Devices is a versatile tool for evaluating the performance of the AD7091 Analog-to-Digital Converter. This board is designed to provide a complete platform for evaluating the AD7091 in a variety of instrumentation and measurement applications. It features a wide range of features, including a low-noise power supply, a high-speed serial interface, and a wide range of input and output connectors. The board also includes a comprehensive set of software tools for configuring and testing the AD7091. This evaluation board is an ideal solution for evaluating the performance of the AD7091 in a variety of instrumentation and measurement applications.
Specifications
Analog Devices Inc. technical specifications, attributes, parameters and parts with similar specifications to Analog Devices Inc. .
- TypeParameter
- Lifecycle StatusPRODUCTION (Last Updated: 3 weeks ago)
- Factory Lead Time8 Weeks
- Package / CaseModule
- Number of Pins0
- PackagingBox
- Part StatusActive
- Moisture Sensitivity Level (MSL)1 (Unlimited)
- Max Operating Temperature125°C
- Min Operating Temperature-40°C
- Base Part NumberAD7091
- Operating Supply Voltage5.25V
- InterfaceSPI, Serial
- Number of Bits12
- Utilized IC / PartAD7091
- Supplied ContentsBoard(s)
- Data InterfaceDSP, MICROWIRE™, QSPI™, Serial, SPI™
- Resolution1.5 B
- Sampling Rate1 Msps
- Evaluation KitYes
- Sampling Rate (Per Second)1M
- Number of A/D Converters1
- Input Range0 ~ Vdd
- Power (Typ) @ Conditions2.4mW @ 1MSPS
- REACH SVHCNo SVHC
- RoHS StatusROHS3 Compliant
- Lead FreeContains Lead
0 Similar Products Remaining
Technical Documents
Associated Products
| Part Number | Manufacturer | Description | Stock | RFQ |
|---|---|---|---|---|
| Murata Electronics | FILTER LC(T) 1000PF SMD | 12500 | RFQ | |
| Analog Devices Inc. | Operational Amplifiers - Op Amps 2.7V 800uA 80Mhz RRIO SGL | 4800 | RFQ | |
| ON Semiconductor | IC GATE AND 1CH 2-INP SC70-5 | 452524 | RFQ | |
| Analog Devices Inc. | V-Ref Precision 3.3V 30mA 8-Pin SOIC N T/R | 8 | BUY | |
| Analog Devices Inc. | IC REG LINEAR 9V 500MA 8SOIC | 20000 | BUY | |
| Microchip Technology | MICROCHIP - 24LC32A-I/MS - EEPROM, 32 Kbit, 4K x 8bit, Serial I2C (2-Wire), 400 kHz, MSOP, 8 Pins | 4 | RFQ | |
| Analog Devices Inc. | Level Translator 20-Pin TSSOP T/R | 772 | RFQ | |
| Analog Devices Inc. | OP Amp Dual Volt Fdbk R-R I/O ±6V/12V 8-Pin MSOP T/R | 238 | RFQ | |
| Analog Devices Inc. | IC TRNSLTR BIDIRECTIONAL 20TSSOP | 875 | BUY | |
| Analog Devices Inc. | IC REG LINEAR 3V 500MA 8SOIC | 20000 | BUY |


Product
Brand
Articles
Tools






















