Analog Devices, Inc. EVAL-AD7451SDZ
Description
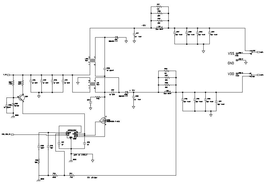
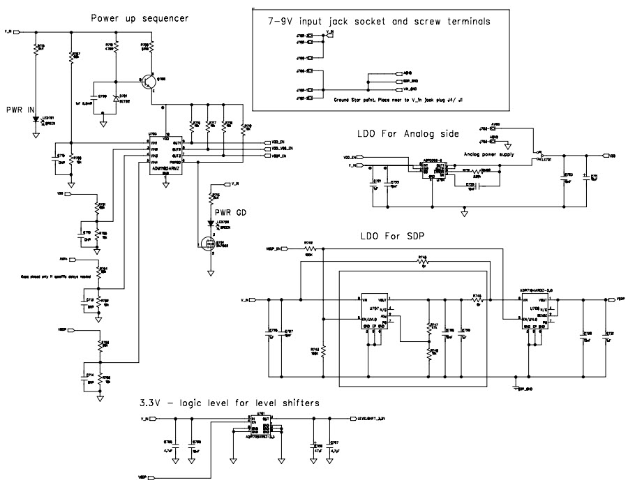
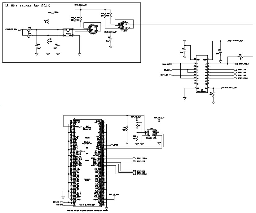
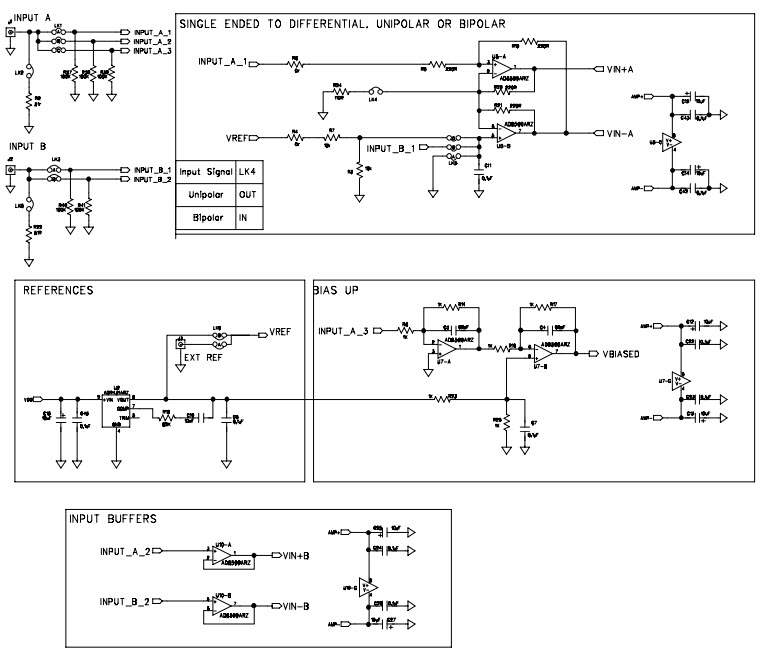
The EVAL-AD7451SDZ Evaluation Board from Analog Devices is designed to evaluate the performance of the AD7451, a single-channel, 12-bit, 1 MSPS analog-to-digital converter. This board features a wide range of input ranges, including ±2.5 V, ±5 V, and ±10 V, and is ideal for instrumentation and measurement applications. It also includes a variety of features, such as a low-noise power supply, a reference voltage, and a temperature sensor. The board is also compatible with a variety of software packages, including the AD7451 Evaluation Software, which allows users to quickly and easily evaluate the performance of the AD7451.
Specifications
Analog Devices, Inc. technical specifications, attributes, parameters and parts with similar specifications to Analog Devices, Inc. .
- TypeParameter
- Lifecycle StatusLAST TIME BUY (Last Updated: 2 weeks ago)
- Number of Pins0
- RoHS StatusNon-RoHS Compliant
0 Similar Products Remaining
Technical Documents
Associated Products
| Part Number | Manufacturer | Description | Stock | RFQ |
|---|---|---|---|---|
| Analog Devices Inc. | ANALOG DEVICES - ADG3308BRUZ - Voltage Level Translator, Bidirectional, 8 Input, 6 ns, 60 Mbps, 1.15 V to 5.5 V, TSSOP-20 | 10 | RFQ | |
| Analog Devices Inc. | IC VREF SERIES 0.12% 8SOIC | 2429 | RFQ | |
| Analog Devices Inc. | ANALOG DEVICES ADP1613ARMZ-R7 DC-DC Switching Boost, SEPIC Regulator, Adjustable, 2.5V-5.5Vin, 3.6V-20Vout, 2Aout, MSOP-8 | 1114 | RFQ | |
| Analog Devices Inc. | Op Amp Dual Low Noise Amplifier R-R I/P ±18V 8-Pin SOIC N T/R | 26 | RFQ | |
| Analog Devices Inc. | V-Ref Precision 2.5V 30mA 8-Pin SOIC N T/R | 3000 | BUY | |
| Analog Devices Inc. | ANALOG DEVICES - ADM1184ARMZ - IC, VOLTAGE MONITOR, QUAD, 10SOIC | 991 | BUY | |
| Analog Devices Inc. | ANALOG DEVICES AD8599ARZOperational Amplifier, Dual, 10 MHz, 2 Amplifier, 16.8 V/s,4.5V to18V, SOIC, 8 Pins | 0 | RFQ | |
| Analog Devices Inc. | Level Translator 20-Pin TSSOP T/R | 772 | RFQ | |
| Analog Devices Inc. | IC REG LINEAR 5V 500MA 8SOIC | 2 | RFQ | |
| Analog Devices Inc. | ANALOG DEVICES ADP1720ARMZ-3.3-R7LDO VOLTAGE REGULATOR, 3.3V, 50mA, MSOP- | 20000 | RFQ | |
| Analog Devices Inc. | IC TRNSLTR BIDIRECTIONAL 20TSSOP | 875 | BUY |
Load more


Product
Brand
Articles
Tools

















