Analog Devices Inc. EVAL-ADUM3070EBZANALOG DEVICES EVAL-ADUM3070EBZADUM3070, SWITCH REG, EVAL BOARD
Description
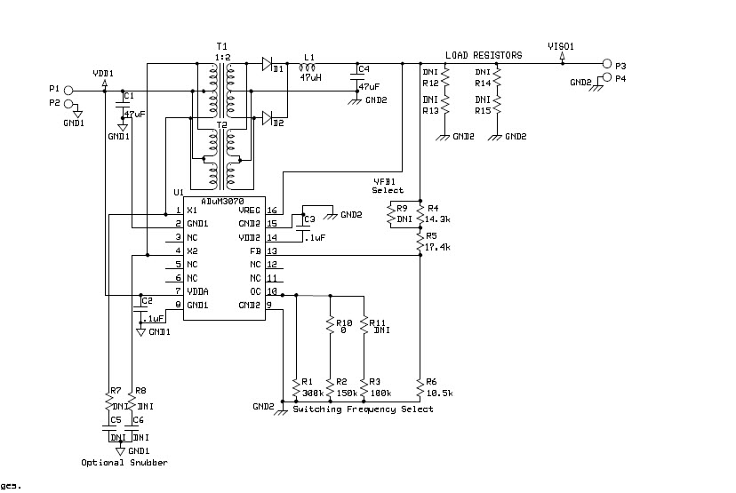
The Analog Devices EVAL-ADUM3070EBZ is an evaluation board that uses the ADuM3070 high efficiency isolated switch regulator with integrated feedback and industrial isolation amplifier. This board is designed to provide a complete solution for evaluating the performance of the ADuM3070 in a variety of applications. It features a wide input voltage range of 4.5V to 28V, adjustable output voltage range of 0.8V to 28V, and a maximum output current of 3A. The board also includes a variety of protection features such as over-voltage, over-current, and short-circuit protection. Additionally, the board is designed to meet the requirements of industrial applications, making it suitable for use in a wide range of applications.
Specifications
Analog Devices Inc. technical specifications, attributes, parameters and parts with similar specifications to Analog Devices Inc. .
- TypeParameter
- Factory Lead Time8 Weeks
- SeriesiCoupler®
- Part StatusActive
- Moisture Sensitivity Level (MSL)1 (Unlimited)
- Base Part NumberADUM3070
- Voltage - Output5V 7.5V 15V
- Frequency - Switching500kHz
- Utilized IC / PartADuM3070
- Supplied ContentsBoard(s)
- Board TypeFully Populated
- Main PurposeDC/DC Isolated Power Supply
- Outputs and Type3, Isolated
- RoHS StatusROHS3 Compliant
0 Similar Products Remaining
Technical Documents
Associated Products
| Part Number | Manufacturer | Description | Stock | RFQ |
|---|---|---|---|---|
| Analog Devices Inc. | IC SEQUENCER/MONITOR QUAD 16QSOP | 1674 | BUY |


Product
Brand
Articles
Tools










