Analog Devices Inc. EVAL-ADUM3223AEBZBOARD EVAL FOR ADUM3223
Description
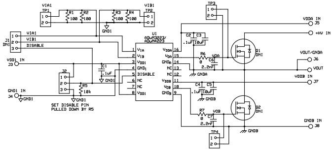
The Analog Devices EVAL-ADUM3223AEBZ is an evaluation board for the ADuM3223 4A iCoupler, Isolated Precision Half-Bridge Driver. This board is designed for automotive and transportation applications, and is capable of driving up to 4A of current. It features a wide operating temperature range of -40°C to +125°C, and is designed to meet the requirements of the automotive industry. The board also includes a variety of protection features, such as over-voltage, over-current, and short-circuit protection. Additionally, the board is designed to be easy to use, with a simple plug-and-play setup.
Specifications
Analog Devices Inc. technical specifications, attributes, parameters and parts with similar specifications to Analog Devices Inc. .
- TypeParameter
- Lifecycle StatusPRODUCTION (Last Updated: 4 months ago)
- Factory Lead Time8 Weeks
- Package / CaseModule
- Number of Pins0
- PackagingBulk
- SeriesiCoupler®
- Part StatusActive
- Moisture Sensitivity Level (MSL)1 (Unlimited)
- TypeInterface
- Max Operating Temperature125°C
- Base Part NumberADUM3223
- FunctionDigital Isolator
- Operating Supply Voltage18V
- Utilized IC / PartADuM3223
- Supplied ContentsBoard(s)
- Evaluation KitYes
- Primary Attributes2-Channel (Dual)
- EmbeddedNo
- Secondary Attributes3V ~ 5.5V Supply
- REACH SVHCNo SVHC
- RoHS StatusROHS3 Compliant
- Lead FreeContains Lead
0 Similar Products Remaining
Technical Documents
Associated Products
| Part Number | Manufacturer | Description | Stock | RFQ |
|---|---|---|---|---|
| Analog Devices Inc. | IC SEQUENCER/MONITOR QUAD 20QSOP | 0 | RFQ |


Product
Brand
Articles
Tools








