Analog Devices Inc. SSM2167Z-EVALBOARD EVAL FOR SSM2167
Description
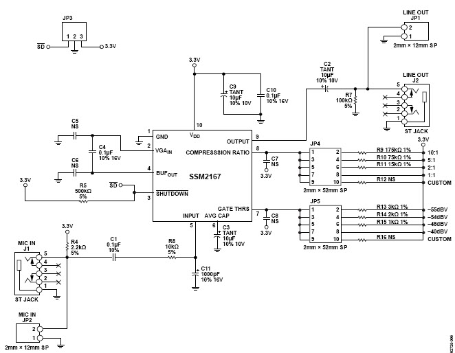
The Analog Devices SSM2167Z-EVAL is a 1-channel audio power amplifier designed for audio mixer, audio processor, and audio analyzer applications. It features a low-noise, low-distortion, high-efficiency design that is capable of delivering up to 2.5W of power into a 4Ω load. The SSM2167Z-EVAL also features a wide range of gain settings, allowing it to be used in a variety of applications. It is also equipped with a variety of protection features, including over-temperature, over-current, and short-circuit protection. The SSM2167Z-EVAL is an ideal solution for audio applications that require high-quality sound reproduction.
Specifications
Analog Devices Inc. technical specifications, attributes, parameters and parts with similar specifications to Analog Devices Inc. .
- TypeParameter
- Lifecycle StatusPRODUCTION (Last Updated: 3 months ago)
- Factory Lead Time8 Weeks
- Number of Pins0
- Part StatusActive
- Moisture Sensitivity Level (MSL)1 (Unlimited)
- TypeAudio
- Base Part NumberSSM2167
- FunctionMicrophone Pre-Amp
- Operating Supply Voltage3V
- Operating Supply Current5mA
- Nominal Supply Current5mA
- Utilized IC / PartSSM2167
- Supplied ContentsBoard(s)
- Gain Bandwidth Product1MHz
- Evaluation KitYes
- Primary AttributesVariable Compression, Noise Gating, 0.2% THD + N, Adjustable Compression Ratio
- EmbeddedNo
- Secondary AttributesAutomatic Limiting Feature Prevents ADC Overload, 3V (2.5 ~ 5.5V)
- REACH SVHCNo SVHC
- Radiation HardeningNo
- RoHS StatusROHS3 Compliant
- Lead FreeContains Lead
0 Similar Products Remaining
Technical Documents
Associated Products
| Part Number | Manufacturer | Description | Stock | RFQ |
|---|---|---|---|---|
| NDK America, Inc. | CRYSTAL 8.0000MHZ 8PF SMD | 0 | RFQ | |
| STMicroelectronics | MCU 32-Bit SPC560B50x e200z0h RISC 512KB Flash 3.3V/5V 144-Pin LQFP T/R | 0 | RFQ | |
| NDK America, Inc. | 8MHz ±30ppm Crystal 8pF 200 Ohm -40°C ~ 85°CSurface Mount 2-SMD, No Lead (DFN, LCC) | 0 | RFQ | |
| STMicroelectronics | 32-bit Microcontrollers - MCU 32-BIT Embedded MCU 64 MHz 256kB Body | 0 | RFQ | |
| STMicroelectronics | 32-bit Microcontrollers - MCU 32-BIT Embedded MCU 64 MHz 512kB Body | 0 | RFQ | |
| STMicroelectronics | MCU 32-Bit SPC560B50x e200z0h RISC 512KB Flash 3.3V/5V 144-Pin LQFP Tray | 0 | RFQ | |
| STMicroelectronics | IC MCU 32BIT 256KB FLASH 144LQFP | 0 | RFQ | |
| STMicroelectronics | IC MCU 32BIT 512KB FLASH 144LQFP | 0 | RFQ | |
| NDK America, Inc. | Crystal 8MHz ?20ppm (Tol) ?30ppm (Stability) 8pF FUND 200Ohm 4-Pin SMD | 0 | RFQ |


Product
Brand
Articles
Tools







