Maxim Integrated MAX9867EVKIT+Audio IC Development Tools MAX9867 Eval Kit
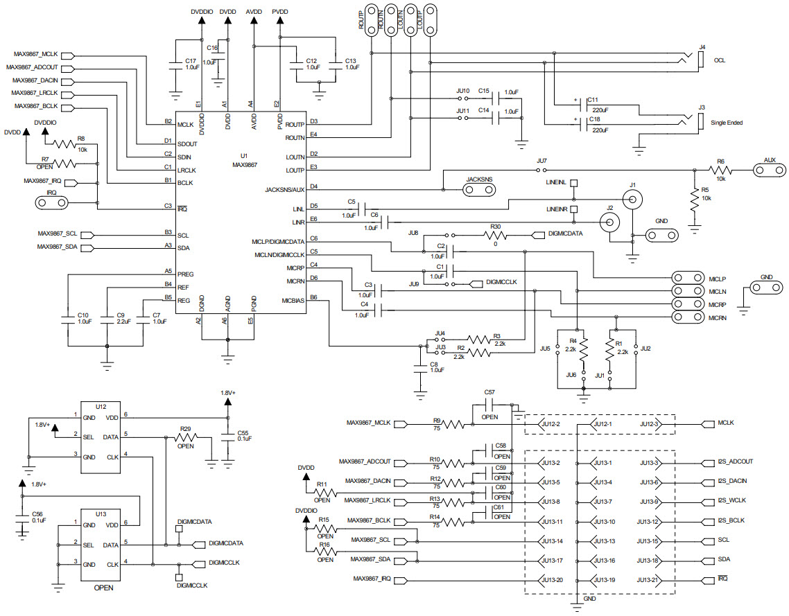
The MAX9867EVKIT+ Evaluation Kit is designed to evaluate the MAX9867 low-power, stereo audio codec for consumer electronics applications. The MAX9867 is a low-power, stereo audio codec with integrated headphone amplifier and microphone preamplifier. It features a low-noise, low-distortion, high-performance audio codec with a wide dynamic range and low power consumption. The evaluation kit includes a MAX9867EVKIT+ board, a MAX9867EVKIT+ software package, and a MAX9867EVKIT+ user guide. The board features a MAX9867 codec, a headphone amplifier, a microphone preamplifier, and a USB interface. The software package includes a graphical user interface (GUI) for configuring the codec and a library of audio processing functions. The user guide provides detailed instructions for setting up and using the evaluation kit. The MAX9867EVKIT+ is an ideal platform for evaluating the MAX9867 codec for consumer electronics applications.
- TypeParameter
- Factory Lead Time6 Weeks
- PackagingBulk
- Published2011
- Part StatusActive
- Moisture Sensitivity Level (MSL)1 (Unlimited)
- TypeAudio
- FunctionCODEC
- Utilized IC / PartMAX9867
- Supplied ContentsBoard(s), Cable(s)
- Evaluation KitYes
- EmbeddedYes, MCU, 16-Bit
- Secondary AttributesGraphical User Interface, I2C and USB Interfaces
- RoHS StatusROHS3 Compliant
| Part Number | Manufacturer | Description | Stock | RFQ |
|---|---|---|---|---|
| Maxim Integrated | 0 | RFQ | ||
| Analog Devices | Temperature Sensor IC,Serial, Digital, ± 1°C, -55 °C, 150 °C, NSOIC, 8 Pins | 199 | BUY |


Product
Brand
Articles
Tools




















