Analog Devices Inc. SSM2315-EVALZBOARD EVAL SSM2315
Description
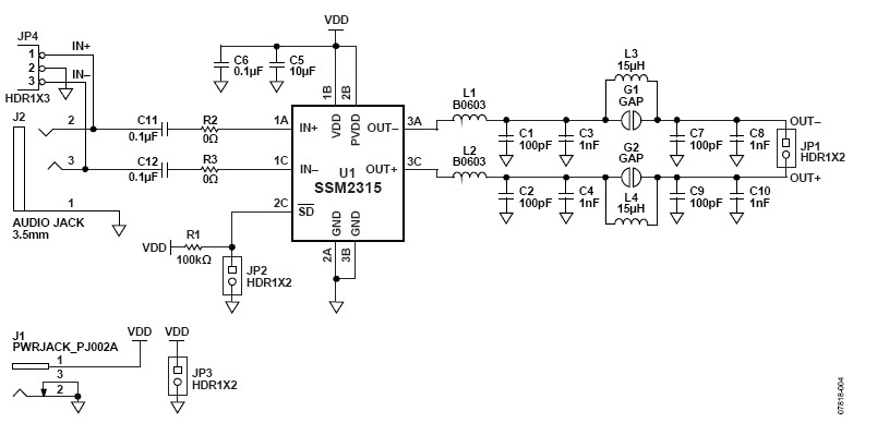
The Analog Devices SSM2315-EVALZ is a 3W, 1-Channel, Class-D Audio Power Amplifier designed for use in portable consumer electronics. It features a low-noise, low-distortion design that is optimized for high-quality audio performance. The amplifier is capable of delivering up to 3W of power into a 4Ω load with a THD+N of 0.1%. It also features a wide supply voltage range of 2.7V to 5.5V, making it suitable for use in a variety of battery-powered applications. The SSM2315-EVALZ is a great choice for powering audio in portable consumer electronics such as smartphones, tablets, and portable media players.
Specifications
Analog Devices Inc. technical specifications, attributes, parameters and parts with similar specifications to Analog Devices Inc. .
- TypeParameter
- Lifecycle StatusPRODUCTION (Last Updated: 1 month ago)
- Factory Lead Time8 Weeks
- Number of Pins0
- PackagingBulk
- Part StatusActive
- Moisture Sensitivity Level (MSL)1 (Unlimited)
- Voltage - Supply2.5V~5.5V
- Base Part NumberSSM2315
- Efficiency93 %
- Output Type1-Channel (Mono)
- Operating Supply Voltage5.5V
- Operating Supply Current2.8mA
- Nominal Supply Current2.8mA
- Output Power3W
- Amplifier TypeClass D
- Common Mode Rejection Ratio55 dB
- Utilized IC / PartSSM2315
- Supplied ContentsBoard(s)
- Evaluation KitYes
- Power Supply Rejection Ratio (PSRR)85dB
- Max Output Power4.28W
- Board TypeFully Populated
- Signal to Noise Ratio (SNR)103 dB
- Max Output Power x Channels @ Load4.28W x 1 @ 3Ohm
- REACH SVHCNo SVHC
- Radiation HardeningNo
- RoHS StatusROHS3 Compliant
- Lead FreeContains Lead
0 Similar Products Remaining
Technical Documents
Associated Products
| Part Number | Manufacturer | Description | Stock | RFQ |
|---|---|---|---|---|
| Maxim Integrated | IC REG BUCK ADJ 0.6A SYNC 10UMAX | 4014 | RFQ | |
| Maxim Integrated | IC REG BUCK ADJ 0.6A SYNC 10UMAX | 59 | RFQ |


Product
Brand
Articles
Tools














