Analog Devices Inc. SSM2306-EVALZBOARD EVAL FOR SSM2306
Description
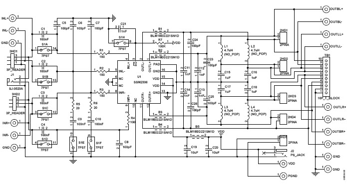
The Analog Devices SSM2306-EVALZ is a 2-channel, Class-D audio power amplifier designed for portable consumer electronics. It is capable of delivering up to 2W of power per channel, making it ideal for powering small speakers and headphones. The amplifier features a low-noise, low-distortion design, allowing for clear and accurate sound reproduction. It also has a wide range of features, including adjustable gain, mute, and thermal protection. The SSM2306-EVALZ is a great choice for powering audio devices in portable consumer electronics.
Specifications
Analog Devices Inc. technical specifications, attributes, parameters and parts with similar specifications to Analog Devices Inc. .
- TypeParameter
- Lifecycle StatusLAST TIME BUY (Last Updated: 5 months ago)
- Number of Pins0
- PackagingBox
- Part StatusObsolete
- Moisture Sensitivity Level (MSL)1 (Unlimited)
- Voltage - Supply2.5V~5V
- Base Part NumberSSM2306
- Efficiency87 %
- Output Type2-Channel (Stereo)
- Operating Supply Voltage5.5V
- Operating Supply Current5.7mA
- Nominal Supply Current5.7mA
- Output Power2W
- Amplifier TypeClass D
- Utilized IC / PartSSM2306
- Supplied ContentsBoard(s)
- Evaluation KitYes
- Max Output Power2.4W
- Board TypeFully Populated
- Signal to Noise Ratio (SNR)96 dB
- Max Output Power x Channels @ Load2.4W x 2 @ 4Ohm
- Radiation HardeningNo
- RoHS StatusROHS3 Compliant
- Lead FreeContains Lead
0 Similar Products Remaining
Technical Documents
Associated Products
| Part Number | Manufacturer | Description | Stock | RFQ |
|---|---|---|---|---|
| Diodes Incorporated | IC LED DRIVER RGLTR DIM 14DFN | 3000 | BUY |


Product
Brand
Articles
Tools














