Holt Integrated Circuits ADK-3593ADK-3593^HOLT
Description
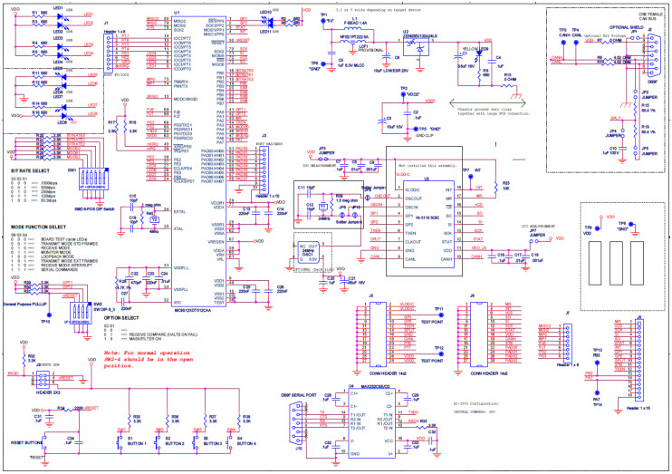
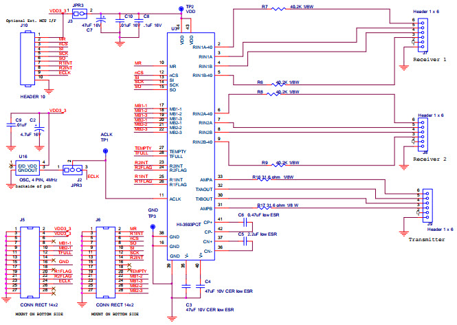
The Holt Integrated Circuits ADK-3593 Evaluation Board is a powerful communications and telecom IC designed to provide a reliable ARINC 429 3.3V dual receiver, single transmitter with SPI interface. It is ideal for applications such as avionics, aerospace, and military systems. The board features a high-speed SPI interface, allowing for fast data transfer and communication. It also includes a wide range of features such as programmable data rate, programmable transmit and receive data formats, and programmable transmit and receive data rates. The board is also designed to be highly reliable and robust, making it suitable for use in harsh environments.


Product
Brand
Articles
Tools










