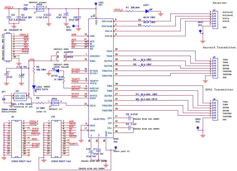
Holt Integrated Circuits ADK-3717
The Holt Integrated Circuits ADK-3717 Evaluation Board is a powerful tool for testing and evaluating the HI-3717A ARINC 717 Protocol ICs. It is designed to provide a comprehensive platform for testing and evaluating the performance of the HI-3717A ARINC 717 Protocol ICs in a variety of applications. The board features a wide range of features, including a high-speed serial port, a USB port, a CAN bus, and a variety of other communication and telecom interfaces. The board also includes a variety of test and evaluation tools, such as a logic analyzer, a signal generator, and a spectrum analyzer. The board is designed to be easy to use and provides a comprehensive platform for testing and evaluating the performance of the HI-3717A ARINC 717 Protocol ICs.


Product
Brand
Articles
Tools










