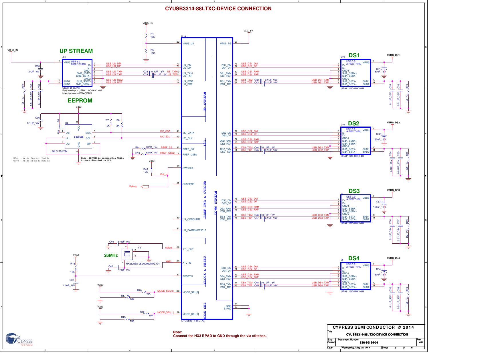
Infineon CY4603CY4603 HX3 USB 3.0 Hub Development Kit
The Infineon Technologies AG CY4603-CY4603, CY4603, Development Kit is an easy-to-use platform for evaluating and developing solutions on the USB-IF certified CYUSB331x family of HX3 USB 3.0 hub controllers, Consumer Electronics Control (CEC) bridge controllers, and USB Type-C controllers. The kit includes a CY4603-CY4603 development board, a USB 3.0 cable, and a USB Type-C cable. The board is equipped with a CYUSB331x device, a USB 3.0 hub, and a USB Type-C port. The kit also includes a comprehensive set of software tools, including a USB 3.0 hub controller driver, a USB Type-C controller driver, and a CEC bridge controller driver. The kit is designed to enable developers to quickly and easily evaluate and develop solutions for the CYUSB331x family of devices.
- TypeParameter
- Manufacturer Part NumberVC3D7.5
- ManufacturerClarostat-Honeywell
- CategoryPeripherals Tools
- PackageBox
- Base Product NumberCY4603
- MfrInfineon Technologies
- Product StatusActive
- Series-
- TypePeripherals Tools
- FunctionUSB 3.0 Hub
- Utilized IC / PartCYUSB3314
- Supplied ContentsBoard(s), Cable(s), Power Supply
- Primary Attributes4-Channel (Quad)
- EthernetNo
- USBUSB3.0
- Embedded-
- Secondary AttributesI²C Interface
- GPIOYes
| Part Number | Manufacturer | Description | Stock | RFQ |
|---|---|---|---|---|
| Microchip Technology | MICROCHIP - 24LC128-I/SM - SERIAL EEPROM, 128KBIT, 400KHZ, SOIJ-8 | 1260 | RFQ | |
| Texas Instruments | TEXAS INSTRUMENTS TPS2560DRCTPower Distribution Switch, Current Limiting, High Side, Active Low, 2 Outputs, 6.5V, 2.5A, SON-10 | 1 | RFQ | |
| Semtech Corporation | IC REG BUCK 1.2V 1.5A SYNC SOT23 | 0 | RFQ |


Product
Brand
Articles
Tools




















