Maxim MAX3420E EVKIT-1
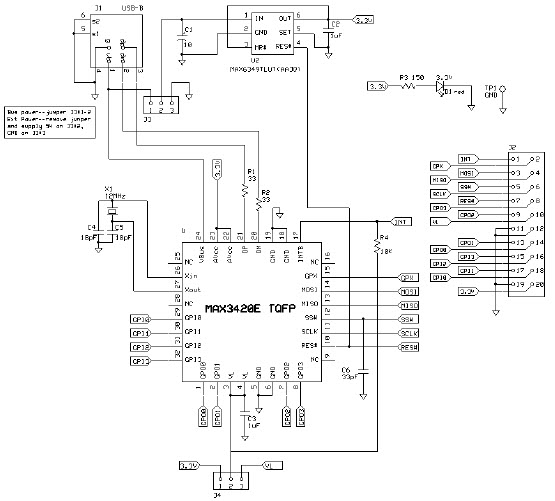
It is a comprehensive evaluation kit for the MAX3420E, a low-power, full-speed USB peripheral and USB interface controller. The kit includes a MAX3420E evaluation board, a USB cable, and a USB-to-serial converter. The MAX3420E EVKIT-1 allows users to quickly evaluate the features and performance of the MAX3420E. The board includes a USB connector, a USB-to-serial converter, and a MAX3420E IC. The board also includes a power supply, a voltage regulator, and a variety of test points and jumpers. The board is designed to be used with a PC or laptop, and the USB-to-serial converter allows users to communicate with the MAX3420E via a serial port. The board also includes a variety of LEDs and switches, which can be used to control the MAX3420E. The MAX3420E EVKIT-1 is an ideal tool for evaluating the features and performance of the MAX3420E.


Product
Brand
Articles
Tools





