Infineon Technologies CY4606Interface Development Tools USB 2.0 4-Port Hub
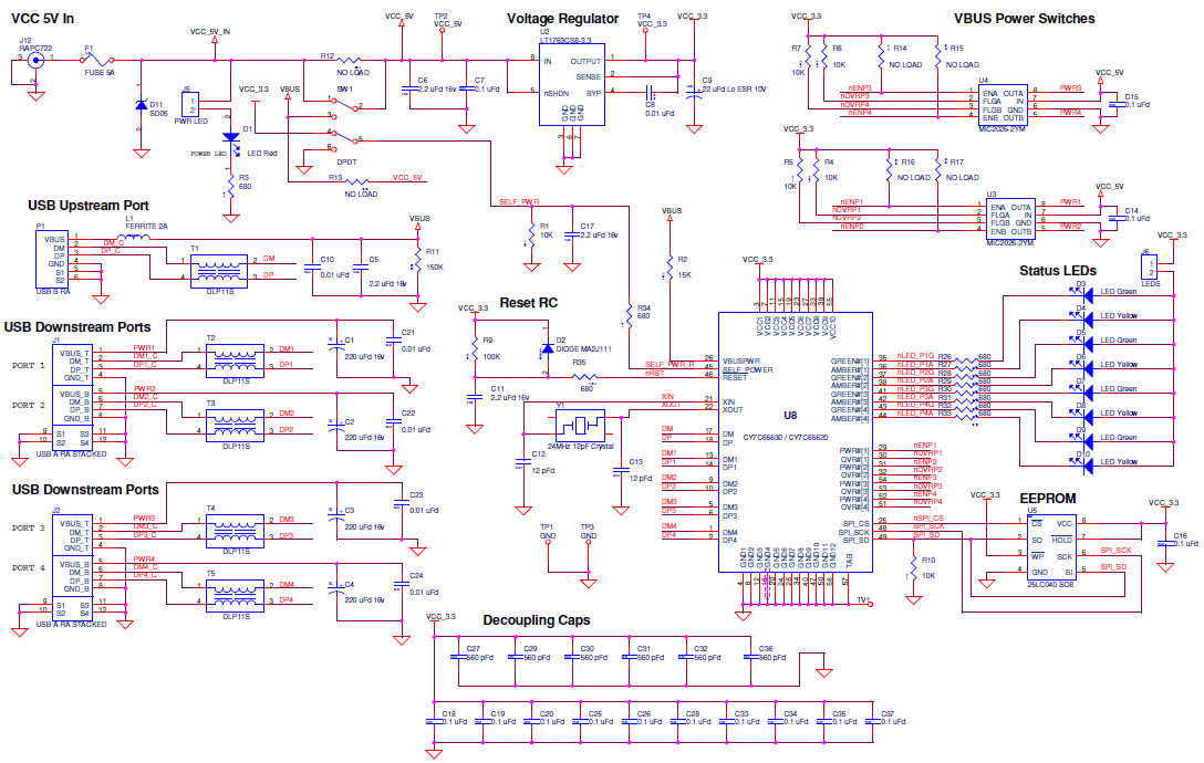
The Infineon Technologies AG CY4606-CY4606 EZ-USB HX2LP High-Speed Low-Power USB 2.0 Compliant 4-Port Hub Reference Design Kit is a comprehensive solution for adding four USB 2.0 ports to a computer or peripheral device. This kit includes a CY4606 EZ-USB HX2LP USB 2.0 compliant 4-port hub controller, a USB 2.0 compliant 4-port hub reference design, and a USB 2.0 compliant 4-port hub reference design software. The CY4606 EZ-USB HX2LP USB 2.0 compliant 4-port hub controller is a low-power, high-speed USB 2.0 compliant hub controller that supports up to four downstream ports. The USB 2.0 compliant 4-port hub reference design provides a complete solution for adding four USB 2.0 ports to a computer or peripheral device. The USB 2.0 compliant 4-port hub reference design software provides a comprehensive set of tools for designing, testing, and debugging USB 2.0 compliant 4-port hubs. This kit is ideal for adding USB 2.0 ports to a computer or peripheral device, and is a great solution for those looking for a reliable and cost-effective way to add USB 2.0 ports to their system.
- TypeParameter
- RoHSN
- Tool Is For Evaluation OfCY7C65630
- Interface Type3-Wire SPI
- Factory Pack QuantityFactory Pack Quantity1
- Unit Weight1.281 lbs
- PackageBulk
- MfrInfineon Technologies
- Product StatusActive
- For Use WithDeveloping a Fixed-Function, Low-Power 4-Port USB 2.0 Hub
- PackagingBulk
- SeriesCY4606
- TypeUSB 2.0 Controller
- FunctionUSB 2.0 Hub
- Operating Supply Voltage5 V
- Utilized IC / PartCY7C65630
- Supplied ContentsBoard(s)
- Primary Attributes-
- Embedded-
- Secondary Attributes-
- ProductReference Design Kits


Product
Brand
Articles
Tools







