Infineon Technologies EVAL100WDRIVECFD2TOBO1100W MOTOR DRIVER EVAL
Description
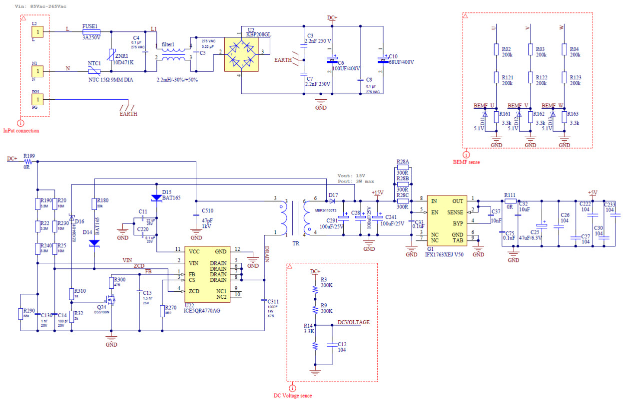
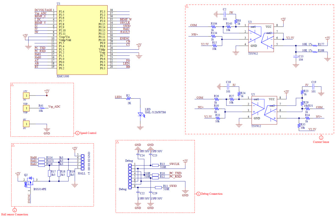
The Infineon Technologies AG EVAL100WDRIVECFD2TOBO1-TOBO1 is a 100W Motor Drive Evaluation Board with FOC Sensorless Control for consumer electronics. This board is designed to provide a comprehensive platform for evaluating the performance of Infineon’s motor control solutions. It features a three-phase motor drive with FOC sensorless control, a power stage with integrated gate drivers, and a microcontroller with integrated peripherals. The board also includes a graphical user interface for easy configuration and monitoring of the motor drive. With its wide range of features, the EVAL100WDRIVECFD2TOBO1-TOBO1 is an ideal solution for evaluating the performance of Infineon’s motor control solutions in consumer electronics applications.
Specifications
Infineon Technologies technical specifications, attributes, parameters and parts with similar specifications to Infineon Technologies .
- TypeParameter
- Factory Lead Time12 Weeks
- Part StatusActive
- Moisture Sensitivity Level (MSL)1 (Unlimited)
- TypePower Management
- FunctionMotor Controller/Driver
- Utilized IC / PartICE5QR4770AG, XMC1302
- Supplied ContentsBoard(s)
- EmbeddedYes, MCU, 32-Bit
- RoHS StatusROHS3 Compliant
0 Similar Products Remaining
Technical Documents
Associated Products
| Part Number | Manufacturer | Description | Stock | RFQ |
|---|---|---|---|---|
| STMicroelectronics | IC OPAMP GP 8MHZ RRO 8MINISO | 8000 | RFQ | |
| STMicroelectronics | Op Amp Dual Gp R-r I/o 5.5V 8-PIN Dfn Ep T/r | 827 | RFQ | |
| STMicroelectronics | OP Amp Dual GP R-R I/O 5.5V Automotive 8-Pin MSOP T/R | 0 | RFQ | |
| STMicroelectronics | IC OPAMP GP 8MHZ RRO 8SO | 0 | RFQ | |
| STMicroelectronics | IC OPAMP GP 8MHZ RRO 8MINISO | 0 | RFQ | |
| STMicroelectronics | IC OPAMP GP 8MHZ RRO 8SO | 2500 | RFQ | |
| STMicroelectronics | IC OPAMP GP 8MHZ RRO 8MINISO | 573336 | RFQ | |
| STMicroelectronics | IC OPAMP GP 8MHZ RRO 8SO | 0 | RFQ | |
| STMicroelectronics | IC OPAMP GP 8MHZ RRO 8SO | 193 | RFQ |


Product
Brand
Articles
Tools
















