Linear Technology/Analog Devices DC1591ADEMO BRD FOR LTC6409 ADC
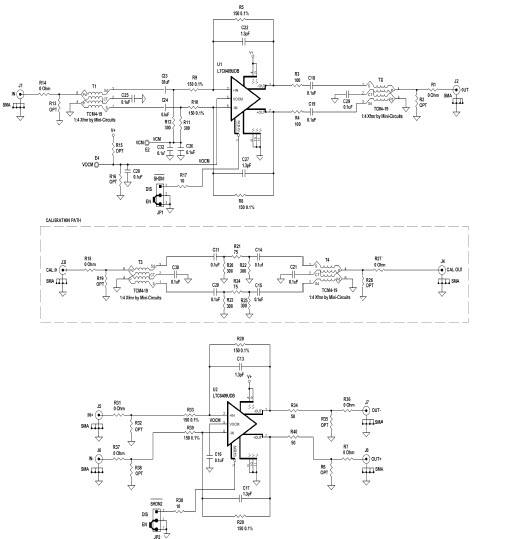
The Analog Devices DC1591A-A, DC1591A Demo Board for the LTC6409 10GHz, 1nV/rt (Hz) Differential Amplifier/ADC Driver, Instrumentation and Measurement is a versatile and powerful tool for testing and evaluating the performance of the LTC6409 differential amplifier/ADC driver. This demo board features a wide range of features, including a 10GHz bandwidth, 1nV/rt (Hz) noise floor, and a wide range of gain and offset settings. The board also includes a variety of test points and connectors for easy connection to external test equipment. The board is designed to be used with the LTC6409 evaluation board, allowing users to quickly and easily evaluate the performance of the amplifier/ADC driver. The DC1591A-A, DC1591A Demo Board is an ideal tool for engineers and technicians who need to quickly and accurately evaluate the performance of the LTC6409 differential amplifier/ADC driver.
- TypeParameter
- Lifecycle StatusPRODUCTION (Last Updated: 3 weeks ago)
- Factory Lead Time8 Weeks
- Number of Pins0
- Published2010
- Part StatusActive
- Moisture Sensitivity Level (MSL)1 (Unlimited)
- Max Operating Temperature70°C
- Min Operating Temperature0°C
- Base Part NumberLTC6409
- Output TypeDifferential
- Slew Rate3300V/μs
- Amplifier TypeDifferential
- Voltage - Supply, Single/Dual (±)2.7V~5.25V
- Output Current per Channel95mA
- Utilized IC / PartLTC6409
- Supplied ContentsBoard(s)
- Evaluation KitYes
- -3db Bandwidth2GHz
- Board TypeFully Populated
- Channels per IC1 - Single
- Current - Supply (Main IC)52mA
- RoHS StatusROHS3 Compliant
| Part Number | Manufacturer | Description | Stock | RFQ |
|---|---|---|---|---|
| Microchip Technology | MICROCHIP - 24AA02T-I/OT - EEPROM, 2 Kbit, 256 x 8bit, Serial I2C (2-Wire), 400 kHz, SOT-23, 5 Pins | 6000 | RFQ | |
| Microchip Technology | 2K 256X8 1.8V SERIAL EE IND | 3300 | RFQ |


Product
Brand
Articles
Tools








