Linear Technology/Analog Devices DC209ALTC1404CS8 - 12-BIT, HIGH SPEED
Description
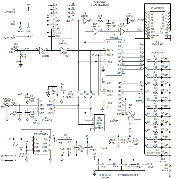
The Analog Devices DC209A-A, DC209A Demo Board is designed to demonstrate the capabilities of the LTC1404CS8 12-bit, high speed 600ksps A to D converter with shut-down, communications and telecom. This demo board features a wide range of features, including a low power shutdown mode, a high speed serial interface, and a wide input voltage range. The board also includes a variety of test points and connectors for easy connection to external devices. The board is designed to provide a comprehensive demonstration of the LTC1404CS8's capabilities, allowing users to quickly and easily evaluate the performance of the device.
Specifications
Linear Technology/Analog Devices technical specifications, attributes, parameters and parts with similar specifications to Linear Technology/Analog Devices .
- TypeParameter
- Factory Lead Time8 Weeks
- PackagingBox
- Part StatusActive
- Moisture Sensitivity Level (MSL)1 (Unlimited)
- Number of Bits12
- Utilized IC / PartLTC1404
- Supplied ContentsBoard(s)
- Data InterfaceSerial, SPI
- Sampling Rate (Per Second)600k
- Number of A/D Converters1
- Input Range±2.048V
- Power (Typ) @ Conditions75mW @ 600kSPS
- RoHS StatusROHS3 Compliant
0 Similar Products Remaining
Technical Documents
Associated Products
| Part Number | Manufacturer | Description | Stock | RFQ |
|---|---|---|---|---|
| Analog Devices, Inc. | 39 | RFQ | ||
| ON Semiconductor | IC COUNTER 4BIT PRESET 16SOIC | 50000 | BUY | |
| ON Semiconductor | IC INVERTER SCHMITT 6CH 14TSSOP | 0 | RFQ |


Product
Brand
Articles
Tools









