Linear Technology/Analog Devices DC1638AEVAL BOARD FOR LTC5587IDD
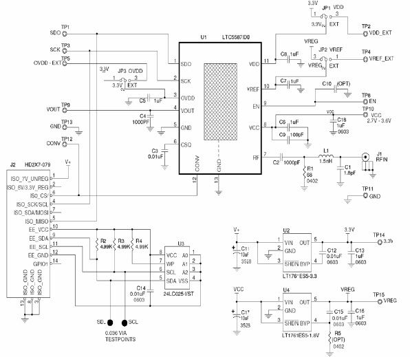
The Analog Devices DC1638A-A Demo Board is a powerful tool for automotive and transportation applications. It features the LTC5587IDD 6GHz RMS Power Detector with Digital Outputs, allowing for precise power measurements in a wide range of frequencies. The board is designed to be used with a variety of automotive and transportation systems, providing accurate and reliable power measurements. The board is also equipped with a variety of features, such as a built-in temperature sensor, adjustable gain, and adjustable offset. This makes it easy to customize the board to fit the needs of any application. The board is also designed to be easy to use, with a simple user interface and intuitive controls. With its robust design and reliable performance, the Analog Devices DC1638A-A Demo Board is an ideal choice for automotive and transportation applications.
- TypeParameter
- Lifecycle StatusPRODUCTION (Last Updated: 2 weeks ago)
- Factory Lead Time8 Weeks
- Number of Pins0
- Published2010
- Part StatusActive
- Moisture Sensitivity Level (MSL)1 (Unlimited)
- TypePower Detector
- Frequency10MHz~6GHz
- Base Part NumberLTC5587
- Supplied ContentsBoard(s)
- Evaluation KitYes
- RoHS StatusROHS3 Compliant
| Part Number | Manufacturer | Description | Stock | RFQ |
|---|---|---|---|---|
| Analog Devices, Inc. | IC REG LDO 1.8V 0.1A TSOT23-5 | 0 | RFQ | |
| Microchip Technology | MICROCHIP - 24LC025-I/ST - SERIAL EEPROM, 2KBIT, 400KHZ, TSSOP-8 | 25 | RFQ | |
| Analog Devices, Inc. | LDO Regulator Pos 3.3V 0.1A 5-Pin TSOT-23 | 0 | RFQ | |
| Analog Devices, Inc. | 0 | RFQ | ||
| Analog Devices, Inc. | 0 | RFQ | ||
| Analog Devices, Inc. | 0 | RFQ | ||
| Analog Devices, Inc. | 186 | BUY | ||
| Analog Devices, Inc. | 0 | RFQ |


Product
Brand
Articles
Tools












