Linear Technology/Analog Devices DC1719AEVAL BOARD FOR LTC5569
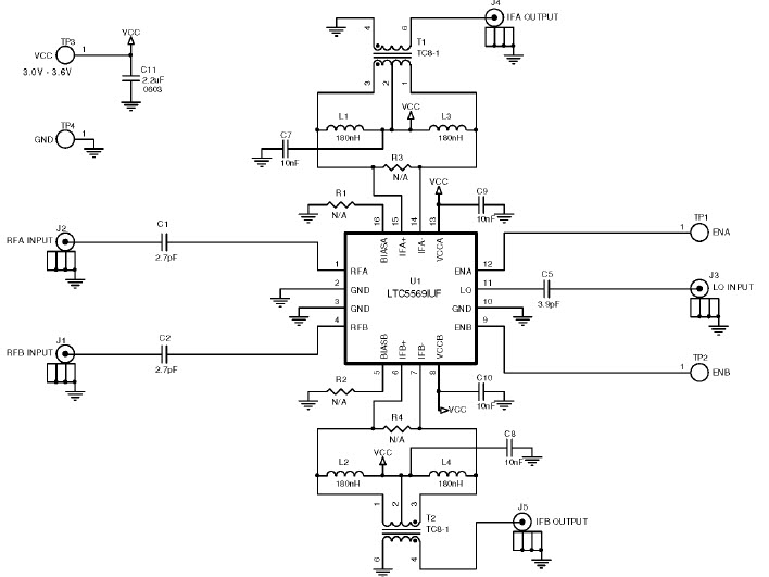
The Analog Devices DC1719A-A, DC1719A Demo Board is a versatile and powerful tool for testing and evaluating the performance of the LTC5569 Dual Wideband Active Mixer. This demo board is designed to demonstrate the mixer's capabilities in a wide range of applications, including communications and telecom. The board features an RF input range of 1.4 to 3.3GHz and an IF output of 190MHz. It is equipped with a variety of features, such as a power supply, a low noise amplifier, a voltage controlled oscillator, and a power detector. The board also includes a variety of test points and connectors for easy connection to external test equipment. The DC1719A-A, DC1719A Demo Board is an ideal solution for testing and evaluating the performance of the LTC5569 Dual Wideband Active Mixer.
- TypeParameter
- Factory Lead Time8 Weeks
- Published2011
- Part StatusActive
- Moisture Sensitivity Level (MSL)1 (Unlimited)
- TypeMixer
- Frequency300MHz~4GHz
- Base Part NumberLTC5569
- Supplied ContentsBoard(s)
- RoHS StatusROHS3 Compliant


Product
Brand
Articles
Tools








