Linear Technology/Analog Devices DC1791A-DDEMO BOARD FOR LTM2887-5I
Description
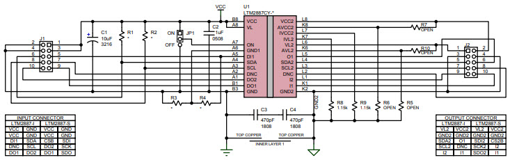
The Analog Devices DC1791A-D Demo Board is a communications and telecom isolator based on the LTM2887-5I I2C module. It is designed to provide galvanic isolation between two systems, allowing for safe and reliable data transmission. The board is powered by a 5V supply and features an I2C module isolator, which isolates the two systems from each other and prevents interference. The board also includes a variety of other features, such as a power supply, a voltage regulator, and a temperature sensor. The board is ideal for applications such as industrial automation, medical equipment, and communications systems.
Specifications
Linear Technology/Analog Devices technical specifications, attributes, parameters and parts with similar specifications to Linear Technology/Analog Devices .
- TypeParameter
- Lifecycle StatusPRODUCTION (Last Updated: 2 weeks ago)
- Factory Lead Time8 Weeks
- Number of Pins0
- SeriesµModule®
- Published2015
- Part StatusActive
- Moisture Sensitivity Level (MSL)1 (Unlimited)
- TypeInterface
- Base Part NumberLTM2887
- FunctionDigital Isolator
- Utilized IC / PartLTM2887-5I
- Supplied ContentsBoard(s)
- Secondary AttributesI2C Interface
- RoHS StatusNon-RoHS Compliant
0 Similar Products Remaining
Technical Documents


Product
Brand
Articles
Tools








