Linear Technology/Analog Devices DC2043AEVAL BOARD FOR LTC3305
Description
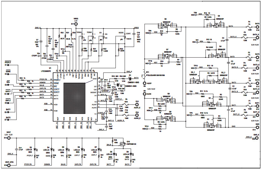
The Analog Devices DC2043A-A, DC2043A Demo Board is a powerful tool for evaluating the performance of the LTC3305EFE Lead Acid Battery Balancer, a power management IC. This demo board provides a complete solution for testing and evaluating the LTC3305EFE's features and performance. It includes a DC power supply, a DC load, and a DC voltage measurement circuit. The board also includes a microcontroller for programming and monitoring the LTC3305EFE. The board is designed to provide a simple and easy way to evaluate the performance of the LTC3305EFE in a variety of applications. With the DC2043A-A, DC2043A Demo Board, users can quickly and easily evaluate the performance of the LTC3305EFE Lead Acid Battery Balancer, Power Management IC.
Specifications
Linear Technology/Analog Devices technical specifications, attributes, parameters and parts with similar specifications to Linear Technology/Analog Devices .
- TypeParameter
- Factory Lead Time4 Weeks
- Published2014
- Part StatusDiscontinued
- Moisture Sensitivity Level (MSL)1 (Unlimited)
- TypePower Management
- FunctionCurrent Monitor
- Utilized IC / PartLTC3305
- Supplied ContentsBoard(s)
- Primary AttributesCell Balancer
- EmbeddedNo
- Secondary AttributesOn-Board LEDs
- RoHS StatusROHS3 Compliant
0 Similar Products Remaining
Technical Documents
Associated Products
| Part Number | Manufacturer | Description | Stock | RFQ |
|---|---|---|---|---|
| Microchip Technology | MICROCHIP - 24LC025-I/ST - SERIAL EEPROM, 2KBIT, 400KHZ, TSSOP-8 | 25 | RFQ |


Product
Brand
Articles
Tools











