Linear Technology/Analog Devices DC2043BEVAL BOARD FOR LTC3305
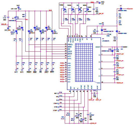
The Analog Devices DC2043B-B, DC2043B, Demo Board is a powerful tool for evaluating the performance of the LTC3305EFE Lead Acid Battery Balancer, Power Management IC. This demo board is designed to provide a complete solution for testing and evaluating the features of the LTC3305EFE. It includes a DC power supply, a DC load, and a DC voltage measurement circuit. The board also includes a microcontroller for programming and monitoring the LTC3305EFE. The board is capable of balancing up to four lead acid batteries, and can be used to test and evaluate the performance of the LTC3305EFE in a variety of applications. The board is also capable of providing a wide range of power management features, such as over-voltage protection, under-voltage protection, and over-current protection. The DC2043B-B, DC2043B, Demo Board is an ideal tool for evaluating the performance of the LTC3305EFE Lead Acid Battery Balancer, Power Management IC.
- TypeParameter
- Factory Lead Time8 Weeks
- Part StatusActive
- Moisture Sensitivity Level (MSL)1 (Unlimited)
- TypePower Management
- Base Part NumberLTC3305
- FunctionCurrent Monitor
- Utilized IC / PartLTC3305
- Supplied ContentsBoard(s)
- Primary AttributesCell Balancer
- EmbeddedNo
- Secondary AttributesOn-Board LEDs
- RoHS StatusROHS3 Compliant


Product
Brand
Articles
Tools










