Linear Technology/Analog Devices DC2334ADEMO BOARD FOR LTC2947
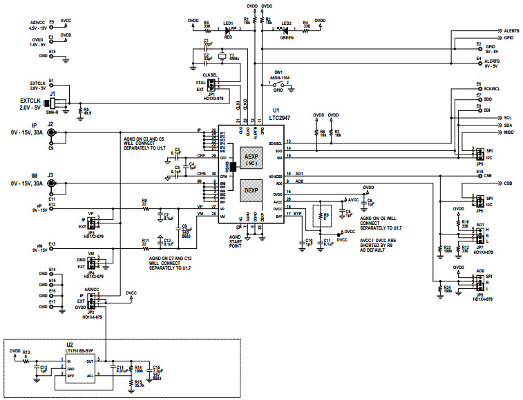
The Analog Devices DC2334A-A, DC2334A Demo Board is a powerful and versatile tool for automotive and transportation applications. It features the LTC2947 30A Power/Energy Monitor with Integrated Sense Resistor, which provides accurate and reliable power and energy monitoring for automotive and transportation applications. The board also includes a wide range of features, such as a high-side current sense amplifier, a low-side current sense amplifier, a voltage sense amplifier, and a temperature sense amplifier. The board also includes a USB interface for easy connection to a PC, and a graphical user interface for easy configuration and monitoring. The board is designed to be used in a wide range of automotive and transportation applications, and is ideal for monitoring and controlling power and energy in these applications.
- TypeParameter
- Lifecycle StatusPRODUCTION (Last Updated: 2 weeks ago)
- Factory Lead Time8 Weeks
- Number of Pins0
- Published2012
- Part StatusActive
- Moisture Sensitivity Level (MSL)1 (Unlimited)
- TypePower Management
- Base Part NumberLTC2947
- FunctionEnergy/Power Meter
- Utilized IC / PartLTC2947
- Supplied ContentsBoard(s)
- Secondary AttributesGraphical User Interface
- RoHS StatusROHS3 Compliant
| Part Number | Manufacturer | Description | Stock | RFQ |
|---|---|---|---|---|
| Omron Electronics Inc-EMC Div | DIP Switches / SIP Switches 1P Knife-Edge, 2.3mm Slide SMT Raised-Act | 2000 | RFQ | |
| Microchip Technology | MICROCHIP - 24LC025-I/ST - SERIAL EEPROM, 2KBIT, 400KHZ, TSSOP-8 | 25 | RFQ |


Product
Brand
Articles
Tools












