Linear Technology/Analog Devices DC2578ATOTAL POWER MANAGEMENT: HOT SWAP
Description
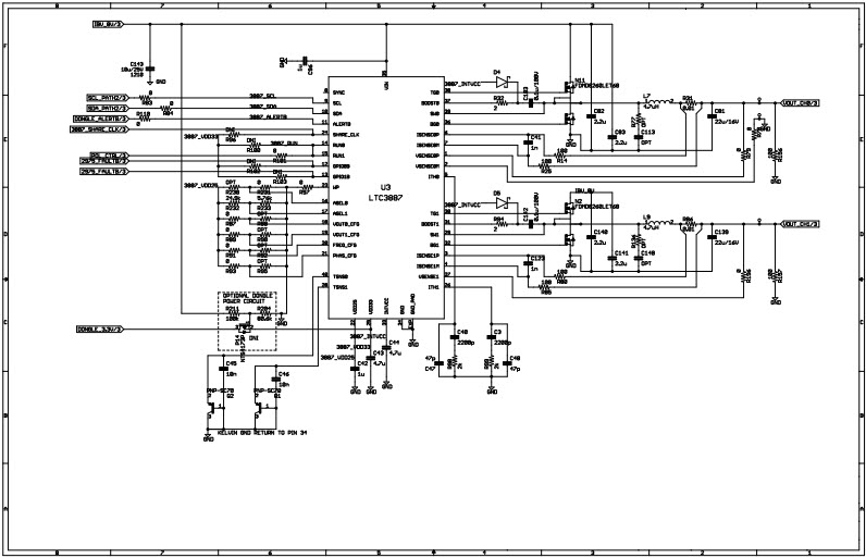
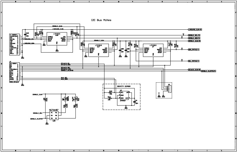
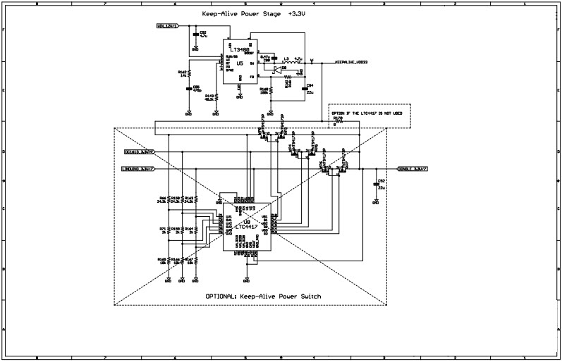
The Analog Devices DC2578A-A, DC2578A Demo Board is a comprehensive power management solution based on the LTC4281, LTC3886, LTC2975, and LTC3887 Total Power Management ICs. This board provides a complete power management solution for hot swap, intermediate bus, and point-of-load applications. It features a wide range of features, including over-voltage protection, over-current protection, and power sequencing. The board also includes a graphical user interface for easy configuration and monitoring of the power management system. The board is designed to provide a reliable and efficient power management solution for a variety of applications.
Specifications
Linear Technology/Analog Devices technical specifications, attributes, parameters and parts with similar specifications to Linear Technology/Analog Devices .
- TypeParameter
- Lifecycle StatusPRODUCTION (Last Updated: 2 weeks ago)
- Factory Lead Time8 Weeks
- Number of Pins0
- Published2010
- Part StatusActive
- Moisture Sensitivity Level (MSL)1 (Unlimited)
- TypePower Management
- FunctionHot Swap Controller
- Utilized IC / PartLTC4281
- Supplied ContentsBoard(s)
0 Similar Products Remaining
Technical Documents
Associated Products
| Part Number | Manufacturer | Description | Stock | RFQ |
|---|---|---|---|---|
| Microchip Technology | EEPROM Serial-I2C 64K-bit 8K x 8 1.8V/2.5V/3.3V/5V 5-Pin CSP T/R | 0 | RFQ | |
| Microchip Technology | In a Pack of 5, Microchip 24AA64-I/ST, 64kbit Serial EEPROM Memory, 3500ns 8-Pin TSSOP I2C | 0 | RFQ | |
| Microchip Technology | EEPROM Serial-I2C 64K-bit 8K x 8 1.8V/2.5V/3.3V/5V Automotive 8-Pin SOIC N T/R | 0 | RFQ |


Product
Brand
Articles
Tools



























