Linear Technology/Analog Devices DC743ALT6553CGN - TRIPLE HIGH SPEED VI
Description
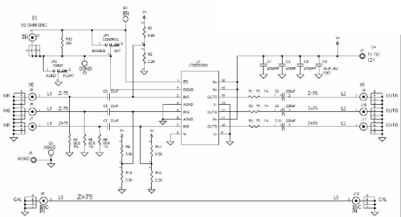
The Analog Devices DC743A-A, DC743A Demonstration Circuit is a versatile tool for evaluating the performance of the LT6553 Triple High Speed Video Amplifier. This circuit board provides a complete solution for testing the LT6553's features, including its wide bandwidth, low distortion, and high slew rate. The board includes a power supply, a video input, and three video outputs, allowing for easy testing of the amplifier's performance. The board also includes a variety of test points and connectors, allowing for easy connection to external test equipment. The DC743A-A is an ideal tool for engineers and technicians who need to evaluate the performance of the LT6553 in a variety of applications.
Specifications
Linear Technology/Analog Devices technical specifications, attributes, parameters and parts with similar specifications to Linear Technology/Analog Devices .
- TypeParameter
- Factory Lead Time8 Weeks
- Part StatusActive
- Moisture Sensitivity Level (MSL)1 (Unlimited)
- TypeVideo
- FunctionAmplifier, Triple
- Utilized IC / PartLT6553
- Supplied ContentsBoard(s)
- EmbeddedNo
- RoHS StatusROHS3 Compliant
0 Similar Products Remaining
Technical Documents
Associated Products
| Part Number | Manufacturer | Description | Stock | RFQ |
|---|---|---|---|---|
| Analog Devices, Inc. | 0 | RFQ |


Product
Brand
Articles
Tools




