Linear Technology/Analog Devices DC839ABOARD DEMO FOR LTC4413EDD
Description
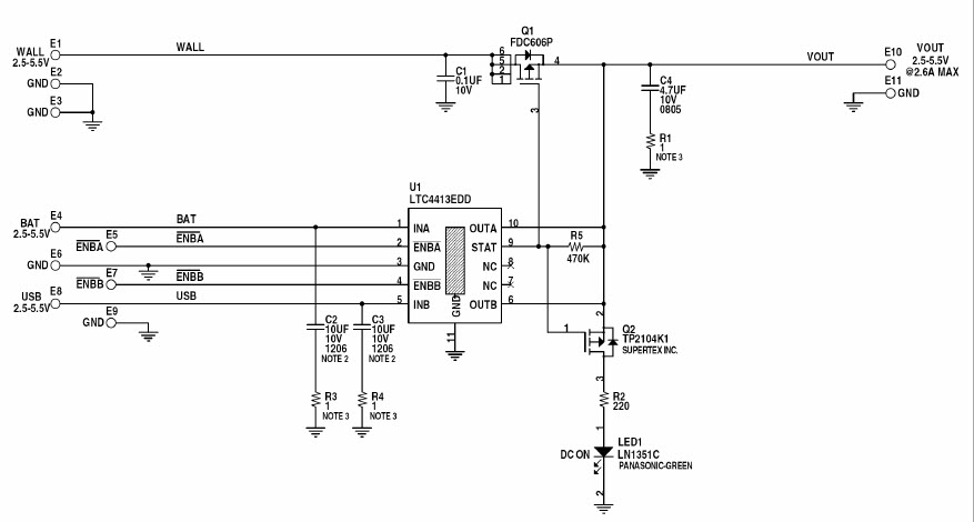
The Analog Devices DC839A-A, LTC4413EDD Demo Board is a dual ideal diode-triple power path controller designed to provide efficient power management for applications requiring a wide input voltage range of 2.5-5.5V and a wide output voltage range of 2.5-5.5V at up to 2.6A maximum. It features a low quiescent current of only 1.2mA, and is capable of providing up to 95% efficiency. The board also includes a power-good indicator, thermal shutdown, and over-current protection. This demo board is ideal for applications such as battery-powered systems, portable electronics, and automotive systems.
Specifications
Linear Technology/Analog Devices technical specifications, attributes, parameters and parts with similar specifications to Linear Technology/Analog Devices .
- TypeParameter
- Lifecycle StatusPRODUCTION (Last Updated: 3 months ago)
- Factory Lead Time8 Weeks
- Number of Pins0
- Part StatusActive
- Moisture Sensitivity Level (MSL)1 (Unlimited)
- TypePower Management
- FunctionORing Controller / Ideal Diode
- Utilized IC / PartLTC4413
- Supplied ContentsBoard(s)
- RoHS StatusROHS3 Compliant
0 Similar Products Remaining
Technical Documents


Product
Brand
Articles
Tools




