Linear Technology/Analog Devices DC859AEVAL BOARD FOR LTC4267
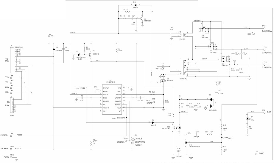
The Analog Devices DC859A-A, LTC4267IDHC Demo Board, Triple-Output PD for PoE, Consumer Electronics is a demonstration board designed to showcase the capabilities of the LTC4267IDHC triple-output power delivery (PD) controller. This board is ideal for consumer electronics applications that require power over Ethernet (PoE) capabilities. It features three isolated outputs, each capable of delivering up to 25W of power, and is compliant with the IEEE 802.3bt standard. The board also includes a variety of protection features, such as over-voltage, over-current, and short-circuit protection, to ensure safe operation. Additionally, the board is designed to be easy to use, with a graphical user interface (GUI) that allows users to quickly configure and monitor the board's performance.
- TypeParameter
- Lifecycle StatusPRODUCTION (Last Updated: 4 weeks ago)
- Factory Lead Time8 Weeks
- Number of Pins0
- Published2007
- Part StatusActive
- Moisture Sensitivity Level (MSL)1 (Unlimited)
- TypePower Management
- FunctionPower over Ethernet (PoE)
- Operating Supply Voltage-37V
- Utilized IC / PartLTC4267
- Supplied ContentsBoard(s)
- Evaluation KitYes
- EmbeddedNo
- Length32mm
- REACH SVHCNo SVHC
- RoHS StatusROHS3 Compliant


Product
Brand
Articles
Tools








