Linear Technology/Analog Devices DC659AEVAL BOARD FOR LTC3806
Description
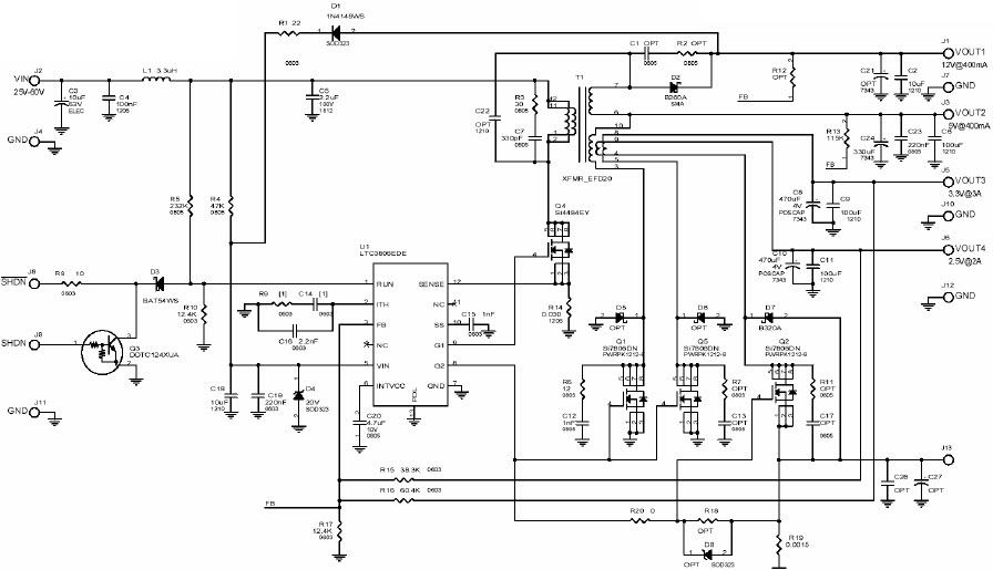
The Analog Devices DC659A-A, LTC3806EDE Demo Board is a synchronous flyback regulator designed for automotive and transportation applications. It features four outputs with a wide input voltage range of 25V to 60V. The outputs are rated at 12V @ 400mA, 5V @ 400mA, 3.3V @ 3A, and 2.5V @ 2A respectively. This demo board is ideal for applications that require high efficiency and low noise operation. It is also designed to meet the stringent requirements of automotive and transportation applications.
Specifications
Linear Technology/Analog Devices technical specifications, attributes, parameters and parts with similar specifications to Linear Technology/Analog Devices .
- TypeParameter
- Lifecycle StatusPRODUCTION (Last Updated: 2 weeks ago)
- Factory Lead Time8 Weeks
- Number of Pins0
- Published2004
- Part StatusActive
- Voltage - Output2.5V 3.3V 5V 12V
- Frequency - Switching250kHz
- Utilized IC / PartLTC3806
- Supplied ContentsBoard(s)
- Board TypeFully Populated
- Power - Output22W
- Main PurposeDC/DC, Step Down
- Outputs and Type4, Isolated
- Regulator TopologyFlyback
- RoHS StatusNon-RoHS Compliant
0 Similar Products Remaining
Technical Documents


Product
Brand
Articles
Tools








