Maxim Integrated MAX14885EEVKIT+EVAL KIT MAX4885E (ULTRA LOW-CAP
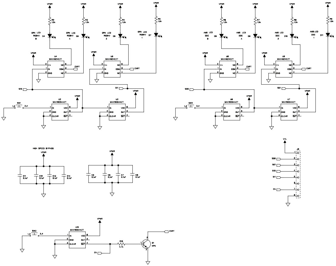
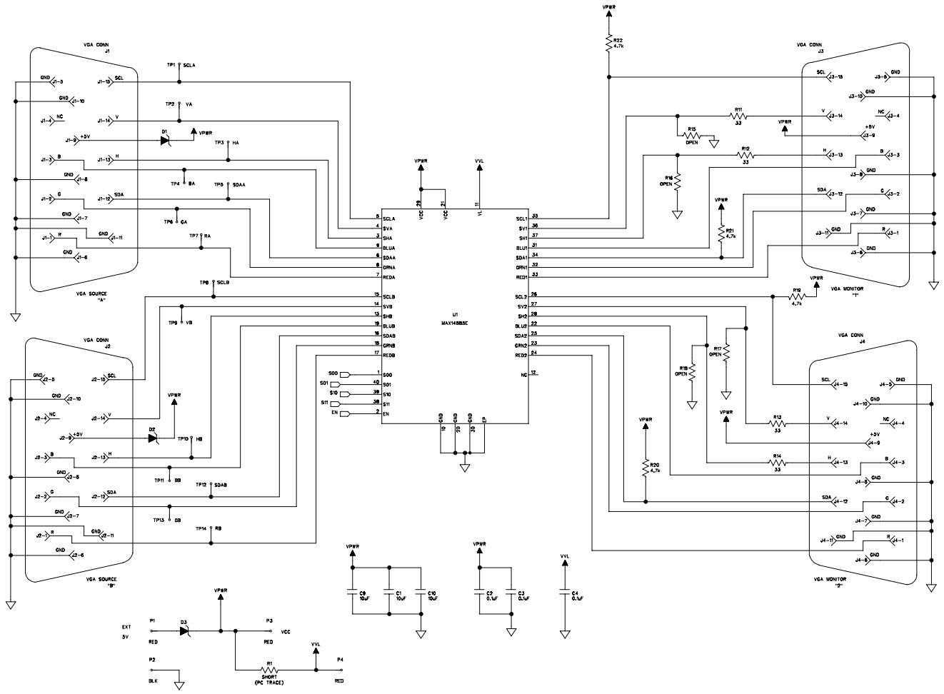
The MAX14885EEVKIT+ Evaluation Kit for the MAX14885E Low-Capacitance VGA 2:2 Dual-Graphics Crossover Switch is a comprehensive evaluation platform for evaluating the performance of the MAX14885E in industrial temperature range applications. The kit includes two MAX14885E devices, two VGA cables, and a USB-to-I2C adapter. The kit also includes a Windows-based GUI software that allows users to quickly configure the MAX14885E for their application. The MAX14885E is a low-capacitance VGA 2:2 dual-graphics crossover switch that supports up to two VGA inputs and two VGA outputs. It features low power consumption, low crosstalk, and low EMI. The MAX14885E is ideal for applications such as industrial displays, medical imaging, and automotive infotainment systems.
- TypeParameter
- Part StatusActive
- Moisture Sensitivity Level (MSL)1 (Unlimited)
- RoHS StatusNon-RoHS Compliant


Product
Brand
Articles
Tools






