Analog Devices Inc. EVAL-ADG2128EBZBOARD EVAL FOR ADG2128
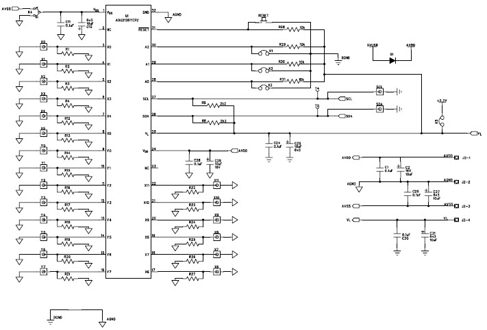
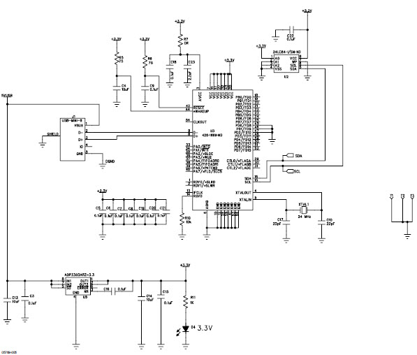
The Analog Devices EVAL-ADG2128EBZ Evaluation Board is a versatile tool for evaluating the performance of the ADG2128 Analog Switch for PBX Digital Station Line Module, Automotive and Transportation Applications. This board features a wide range of features, including a high-performance, low-power, low-voltage, low-noise, and low-distortion analog switch. It also includes a wide range of test points and connectors for easy evaluation and testing. The board is designed to provide a comprehensive evaluation of the ADG2128 switch, allowing users to quickly and accurately assess its performance in a variety of applications. The board also includes a comprehensive set of documentation and software tools to help users get the most out of their evaluation.
- TypeParameter
- Lifecycle StatusPRODUCTION (Last Updated: 1 month ago)
- Factory Lead Time8 Weeks
- Package / CaseModule
- Number of Pins0
- Part StatusActive
- Moisture Sensitivity Level (MSL)1 (Unlimited)
- TypeInterface
- Base Part NumberADG2128
- FunctionCrosspoint Switch/Multiplexer
- Operating Supply Voltage5V
- InterfaceI2C, USB
- Utilized IC / PartADG2128
- Supplied ContentsBoard(s)
- Evaluation KitYes
- Primary Attributes8 x 12 Analog Multiplexer, 8 ~ 12V or +/- 5V
- EmbeddedNo
- Secondary AttributesGraphic User Interface
- REACH SVHCNo SVHC
- Radiation HardeningNo
- RoHS StatusROHS3 Compliant
- Lead FreeContains Lead
| Part Number | Manufacturer | Description | Stock | RFQ |
|---|---|---|---|---|
| Analog Devices Inc. | DGTL ISO 2500VRMS 2CH GP 20SSOP | 169 | BUY | |
| Analog Devices Inc. | ADUM5212CRSZ Analog Devices, PCB SMT, 2-Channel Digital Isolator 100MBps, 2.5 kVrms, 20-Pin SSOP | 611 | BUY | |
| Analog Devices Inc. | IC DGTL ISO 2CH LOGIC 20SSOP | 6280 | BUY | |
| Analog Devices Inc. | DGTL ISO 2500VRMS 2CH GP 20SSOP | 2000 | BUY | |
| Analog Devices Inc. | DGTL ISO 2500VRMS 2CH GP 20SSOP | 3 | BUY | |
| Analog Devices Inc. | DGTL ISO 2500VRMS 2CH GP 20SSOP | 29 | BUY |


Product
Brand
Articles
Tools












